気づいた点は 運営フォーム(外部) で送れます。
まず問題文だけに集中します。採点後に要点と解説へ進みます。
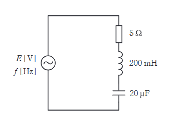
図のように、\( 5 \mathrm{\Omega} \) の抵抗、\( 200 \mathrm{mH} \) のインダクタンスをもつコイル、\( 20 \mathrm{\mu F} \) の静電容量をもつコンデンサを直列に接続した回路に周波数 \( f \mathrm{[Hz]} \) の正弦波交流電圧 \( E \mathrm{[V]} \) を加えた。周波数を回路に流れる電流が最大となるように変化させたとき、コイルの両端の電圧の大きさは抵抗の両端の電圧の大きさの何倍か。最も近いものを次の(1)~(5)のうちから一つ選べ。
選択後、下の採点ボタンで確認します。
解説を確認して次へ進みます。
要点で考え方を戻し、必要なら詳細解説で手順を追います。
続けるときだけ、近い問題を1問選びます。
まずこの問題を試せます。無料登録で履歴保存を始めると、14日間は次にやる復習と苦手まで見えます。続けるならライトです。