気づいた点は 運営フォーム(外部) で送れます。
まず問題文だけに集中します。採点後に要点と解説へ進みます。
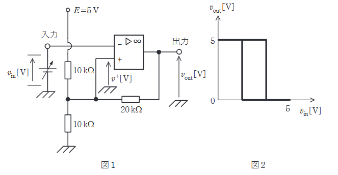
次の文章は、図1の回路の動作について述べたものである。 図1は、演算増幅器(オペアンプ)を用いたシュミットトリガ回路である。この演算増幅器には \( +5 \mathrm{V} \) の単電源が供給されており、\( 0 \mathrm{V} \) から \( 5 \mathrm{V} \) までの範囲の電圧を出力できるものとする。 ・出力電圧 \( v_{out} \) は \( 0 \sim 5 \mathrm{V} \) の間にあるため、演算増幅器の非反転入力の電圧 \( v^+ \mathrm{[V]} \) は(ア)の間にある。 ・入力電圧 \( v_{in} \) を \( 0 \mathrm{V} \) から徐々に増加させると、\( v_{in} \) が(イ)Vを上回った瞬間、\( v_{out} \) は \( 5 \mathrm{V} \) から \( 0 \mathrm{V} \) に変化する。 ・入力電圧 \( v_{in} \) を \( 5 \mathrm{V} \) から徐々に減少させると、\( v_{in} \) が(ウ)Vを下回った瞬間、\( v_{out} \) は \( 0 \mathrm{V} \) から \( 5 \mathrm{V} \) に変化する。 ・入力に対する出力の変化を描くと、図2のような(エ)を示す特性となる。 上記の記述中の空白箇所(ア)~(エ)に当てはまる組合せとして、正しいものを次の(1)~(5)のうちから一つ選べ。
選択後、下の採点ボタンで確認します。
解説を確認して次へ進みます。
要点で考え方を戻し、必要なら詳細解説で手順を追います。
続けるときだけ、近い問題を1問選びます。
まずこの問題を試せます。無料登録で履歴保存を始めると、14日間は次にやる復習と苦手まで見えます。続けるならライトです。