電験3種 過去問演習

気づいた点は 運営フォーム(外部) で送れます。

通常演習
同じ年度・科目の順番で進みます。
20 / 22 問
一覧へ戻る 次へ進むと同じ条件を保持します。
問題演習

2022年度 電験3種 上期 - 理論 - 問17(b) 2022年度 上期 理論 問17(b)

電験3種 配点 5
ログイン不要で試せます
問題文

まず問題文だけに集中します。採点後に要点と解説へ進みます。

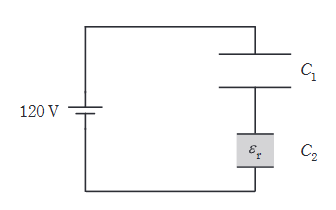
図のように直列に接続された二つの平行平板コンデンサに \( 120 \mathrm{V} \) の電圧が加わっている。コンデンサ \( C_1 \) の金属板間は真空であり、コンデンサ \( C_2 \) の金属板間には比誘電率 \( \varepsilon_r \) の誘電体が挿入されている。コンデンサ \( C_1 \)、\( C_2 \) の金属板間の距離は等しく、\( C_1 \) の金属板の面積は \( C_2 \) の2倍である。このとき、コンデンサ \( C_1 \) の両端の電圧が \( 80 \mathrm{V} \) であった。次の(a)及び(b)の問に答えよ。 ただし、コンデンサの端効果は無視できるものとする。 \( C_1 \) の静電容量が \( 30 \mathrm{\mu F} \) のとき、\( C_1 \) と \( C_2 \) の合成容量の値 \(\mathrm{[\mu F]}\) として、最も近いものを次の(1)~(5)のうちから一つ選べ。

2022年度 上期 理論 問17(b)の問題図
図はタップで拡大できます。
選択肢

選択後、下の採点ボタンで確認します。

1 選ぶ 2 採点 3 解説
  • (1)
    10
  • (2)
    20
  • (3)
    30
  • (4)
    40
  • (5)
    50
選択肢を選ぶ
選択だけではまだ採点されません。
続けるなら履歴保存

まずこの問題を試せます。無料登録で履歴保存を始めると、14日間は次にやる復習と苦手まで見えます。続けるならライトです。

広告枠
この枠は無料ユーザー向けに表示されます
広告なしで使いたい場合はライト以上へ切り替えると非表示になります。
プランを見る