電験3種 過去問演習

気づいた点は 運営フォーム(外部) で送れます。

通常演習
同じ年度・科目の順番で進みます。
22 / 22 問
一覧へ戻る 次へ進むと同じ条件を保持します。
問題演習

2022年度 電験3種 上期 - 理論 - 問18(b) 2022年度 上期 理論 問18(b)

電験3種 配点 5
ログイン不要で試せます
問題文

まず問題文だけに集中します。採点後に要点と解説へ進みます。

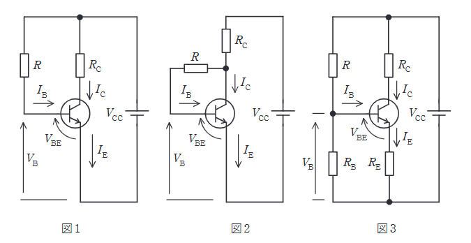
図1、図2及び図3は、トランジスタ増幅器のバイアス回路を示す。次の(a)及び(b)の問に答えよ。 ただし、\( V_{CC} \) は電源電圧、\( V_B \) はベース電圧、\( I_B \) はベース電流、\( I_C \) はコレクタ電流、\( I_E \) はエミッタ電流、\( R, R_B, R_C \) 及び \( R_E \) は抵抗を示す。 次の文章a, b及びcは、それぞれのバイアス回路における周囲温度の変化と電流 \( I_C \) の関係について述べたものである。 a 温度上昇により \( h_{FE} \) が増加すると \( I_C \) が増加し、バイアス安定度が悪いバイアス回路の図は(ア)である。 b \( h_{FE} \) の変化により \( I_C \) が増加しようとすると、\( V_B \) はほぼ一定であるから \( V_{BE} \) が減少するので、\( I_C \) や \( I_E \) の増加を妨げるように働く。\( I_C \) の変化の割合が比較的低く、バイアス安定度が良いものの、電力損失が大きいバイアス回路の図は(イ)である。 c \( h_{FE} \) の変化により \( I_C \) が増加しようとすると、\( R_C \) の電圧降下も増加することでコレクタ・エミッタ間の電圧 \( V_{CE} \) が低下する。これにより \( R \) の電圧が減少し \( I_B \) が減少するので、\( I_C \) の増加が抑えられるバイアス回路の図は(ウ)である。 上記の記述中の空白箇所(ア)~(ウ)に当てはまる組合せとして、正しいものを次の(1)~(5)のうちから一つ選べ。

2022年度 上期 理論 問18(b)の問題図
図はタップで拡大できます。
選択肢

選択後、下の採点ボタンで確認します。

1 選ぶ 2 採点 3 解説
(ア)
(イ)
(ウ)
  • (1)
    (ア)
    図1
    (イ)
    図2
    (ウ)
    図3
  • (2)
    (ア)
    図2
    (イ)
    図3
    (ウ)
    図1
  • (3)
    (ア)
    図3
    (イ)
    図1
    (ウ)
    図2
  • (4)
    (ア)
    図1
    (イ)
    図3
    (ウ)
    図2
  • (5)
    (ア)
    図2
    (イ)
    図1
    (ウ)
    図3
選択肢を選ぶ
選択だけではまだ採点されません。
続けるなら履歴保存

まずこの問題を試せます。無料登録で履歴保存を始めると、14日間は次にやる復習と苦手まで見えます。続けるならライトです。

広告枠
この枠は無料ユーザー向けに表示されます
広告なしで使いたい場合はライト以上へ切り替えると非表示になります。
プランを見る