電験3種 過去問演習

気づいた点は 運営フォーム(外部) で送れます。

通常演習
同じ年度・科目の順番で進みます。
14 / 22 問
一覧へ戻る 次へ進むと同じ条件を保持します。
問題演習

2010年度 電験3種 上期 - 理論 - 問14 2010年度 理論 問14

電験3種 配点 5
ログイン不要で試せます
問題文

まず問題文だけに集中します。採点後に要点と解説へ進みます。

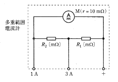
次の文章は、直流電流計の測定範囲拡大について述べたものである。 内部抵抗 \(r=10\) [m\(\Omega\)], 最大目盛 0.5 [A] の直流電流計Mがある。この電流計と抵抗 \(R_{1}\) [m\(\Omega\)] 及び \(R_{2}\) [m\(\Omega\)] を図のように結線し、最大目盛が1 [A] と3 [A] からなる多重範囲電流計を作った。この多重範囲電流計において、端子3Aと端子+を使用する場合、抵抗 ( ア ) [m\(\Omega\)] が分流器となる。端子1Aと端子+を使用する場合には、抵抗 ( イ ) [m\(\Omega\)] が倍率 ( ウ ) 倍の分流器となる。また、3 [A] を最大目盛とする多重範囲電流計の内部抵抗は ( エ ) [m\(\Omega\)] となる。 上記の記述中の空白箇所(ア), (イ), (ウ)及び(エ)に当てはまる式又は数値として、正しいものを組み合わせたのは次のうちどれか。

2010年度 理論 問14の問題図
図はタップで拡大できます。
選択肢

選択後、下の採点ボタンで確認します。

1 選ぶ 2 採点 3 解説
(ア)
(イ)
(ウ)
(エ)
  • (1)
    (ア)
    \(R_{2}\)
    (イ)
    \(R_{1}\)
    (ウ)
    \(\dfrac{10+R_{2}}{R_{1}}+1\)
    (エ)
    \(\dfrac{20}{3}\)
  • (2)
    (ア)
    \(R_{1}\)
    (イ)
    \(R_{1}+R_{2}\)
    (ウ)
    \(\dfrac{10+R_{2}}{R_{1}}\)
    (エ)
    \(\dfrac{25}{9}\)
  • (3)
    (ア)
    \(R_{2}\)
    (イ)
    \(R_{1}+R_{2}\)
    (ウ)
    \(\dfrac{10}{R_{1}+R_{2}}+1\)
    (エ)
    5
  • (4)
    (ア)
    \(R_{1}\)
    (イ)
    \(R_{2}\)
    (ウ)
    \(\dfrac{10}{R_{1}+R_{2}}\)
    (エ)
    \(\dfrac{10}{3}\)
  • (5)
    (ア)
    \(R_{1}\)
    (イ)
    \(R_{1}+R_{2}\)
    (ウ)
    \(\dfrac{10}{R_{1}+R_{2}}+1\)
    (エ)
    \(\dfrac{25}{9}\)
選択肢を選ぶ
選択だけではまだ採点されません。
続けるなら履歴保存

まずこの問題を試せます。無料登録で履歴保存を始めると、14日間は次にやる復習と苦手まで見えます。続けるならライトです。

広告枠
この枠は無料ユーザー向けに表示されます
広告なしで使いたい場合はライト以上へ切り替えると非表示になります。
プランを見る