気づいた点は 運営フォーム(外部) で送れます。
まず問題文だけに集中します。採点後に要点と解説へ進みます。
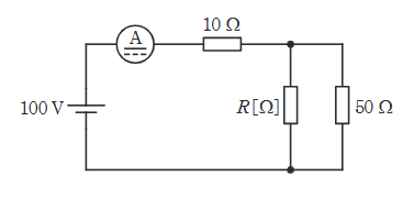
図に示す直流回路は、\(100 \mathrm{V}\) の直流電圧源に直流電流計を介して \(10 \Omega\) の抵抗が接続され、\(50 \Omega\) の抵抗と抵抗 \(R \mathrm{[\Omega]}\) が接続されている。電流計は \(5 \mathrm{A}\) を示している。抵抗 \(R \mathrm{[\Omega]}\) で消費される電力の値 \(\mathrm{[W]}\) として、最も近いものを次の(1)~(5)のうちから一つ選べ。なお、電流計の内部抵抗は無視できるものとする。
選択後、下の採点ボタンで確認します。
解説を確認して次へ進みます。
要点で考え方を戻し、必要なら詳細解説で手順を追います。
続けるときだけ、近い問題を1問選びます。
まずこの問題を試せます。無料登録で履歴保存を始めると、14日間は次にやる復習と苦手まで見えます。続けるならライトです。