電験3種 過去問演習

気づいた点は 運営フォーム(外部) で送れます。

通常演習
同じ年度・科目の順番で進みます。
20 / 22 問
一覧へ戻る 次へ進むと同じ条件を保持します。
問題演習

2024年度 電験3種 上期 - 理論 - 問17(b) 2024年度 上期 理論 問17(b)

電験3種 配点 5
ログイン不要で試せます
問題文

まず問題文だけに集中します。採点後に要点と解説へ進みます。

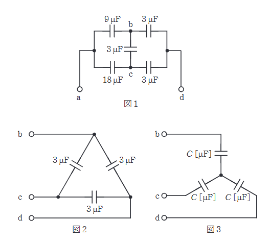
(選択問題)図1の端子a-d間の合成静電容量について、次の(a)及び(b)の問に答えよ。 図3を用いて、図1の端子b-c-d間をY結線回路に変換したとき、図1の端子a-d間の合成静電容量 \(C\) の値 [\(\mu\)F] として、最も近いものを次の(1)~(5)のうちから一つ選べ。 (図1:ブリッジ状の回路。上辺a-b 9\(\mu\)F, b-d 3\(\mu\)F。下辺a-c 18\(\mu\)F, c-d 3\(\mu\)F。中央b-c 3\(\mu\)F) (図2:b, c, d間の\(\Delta\)結線。各辺3\(\mu\)F)

2024年度 上期 理論 問17(b)の問題図
図はタップで拡大できます。
選択肢

選択後、下の採点ボタンで確認します。

1 選ぶ 2 採点 3 解説
この問題の選択肢データは補完中です。気づいた点は「問題を報告」から送れます。
選択肢を選ぶ
選択だけではまだ採点されません。
続けるなら履歴保存

まずこの問題を試せます。無料登録で履歴保存を始めると、14日間は次にやる復習と苦手まで見えます。続けるならライトです。

広告枠
この枠は無料ユーザー向けに表示されます
広告なしで使いたい場合はライト以上へ切り替えると非表示になります。
プランを見る