電験3種 過去問演習

気づいた点は 運営フォーム(外部) で送れます。

通常演習
同じ年度・科目の順番で進みます。
10 / 22 問
一覧へ戻る 次へ進むと同じ条件を保持します。
問題演習

2024年度 電験3種 下期 - 理論 - 問10 2024年度 下期 理論 問10

電験3種 配点 5
ログイン不要で試せます
問題文

まず問題文だけに集中します。採点後に要点と解説へ進みます。

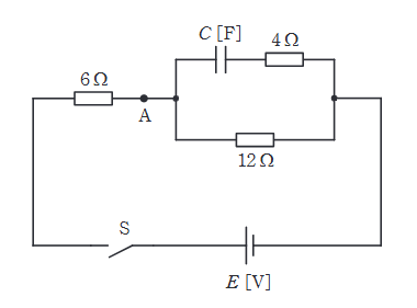
図に示す回路において、スイッチSを閉じた瞬間(時刻 \( t=0 \))に点Aを流れる電流を \( I_{0} [\mathrm{A}] \) とし、十分に時間が経ち、定常状態に達したのちに点Aを流れる電流を \( I [\mathrm{A}] \) とする。電流比 \( \dfrac{I_{0}}{I} \) の値として、最も近いものを次の(1)~(5)のうちから一つ選べ。 ただし、コンデンサの初期電荷は零とする。

2024年度 下期 理論 問10の問題図
図はタップで拡大できます。
選択肢

選択後、下の採点ボタンで確認します。

1 選ぶ 2 採点 3 解説
  • (1)
    0.5
  • (2)
    1.0
  • (3)
    1.5
  • (4)
    2.0
  • (5)
    2.5
選択肢を選ぶ
選択だけではまだ採点されません。
続けるなら履歴保存

まずこの問題を試せます。無料登録で履歴保存を始めると、14日間は次にやる復習と苦手まで見えます。続けるならライトです。

広告枠
この枠は無料ユーザー向けに表示されます
広告なしで使いたい場合はライト以上へ切り替えると非表示になります。
プランを見る