電験3種 過去問演習

気づいた点は 運営フォーム(外部) で送れます。

通常演習
同じ年度・科目の順番で進みます。
16 / 22 問
一覧へ戻る 次へ進むと同じ条件を保持します。
問題演習

2024年度 電験3種 下期 - 理論 - 問15(b) 2024年度 下期 理論 問15(b)

電験3種 配点 5
ログイン不要で試せます
問題文

まず問題文だけに集中します。採点後に要点と解説へ進みます。

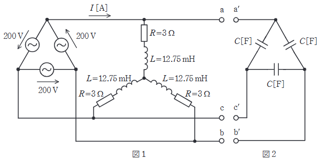
図1のように、相電圧 \( 200 \mathrm{V} \)、周波数 \( 50 \mathrm{Hz} \) の対称三相交流電源に、抵抗とインダクタンスからなる三相平衡負荷を接続した交流回路がある。次の(a)及び(b)の問に答えよ。 図2のように、静電容量 \( C [\mathrm{F}] \) のコンデンサを \( \Delta \) 結線して、その端子 a', b' 及び c' をそれぞれ図1の端子 a, b 及び c に接続した。その結果、三相交流電源から見た負荷の力率は1になったという。静電容量 \( C \) の値 \( [\mathrm{F}] \) として、最も近いものを次の(1)~(5)のうちから一つ選べ。

2024年度 下期 理論 問15(b)の問題図
図はタップで拡大できます。
選択肢

選択後、下の採点ボタンで確認します。

1 選ぶ 2 採点 3 解説
  • (1)
    \( 1.9\times10^{-6} \)
  • (2)
    \( 1.7\times10^{-4} \)
  • (3)
    \( 2.1\times10^{-4} \)
  • (4)
    \( 7.4\times10^{-4} \)
  • (5)
    \( 5.9\times10^{-2} \)
選択肢を選ぶ
選択だけではまだ採点されません。
続けるなら履歴保存

まずこの問題を試せます。無料登録で履歴保存を始めると、14日間は次にやる復習と苦手まで見えます。続けるならライトです。

広告枠
この枠は無料ユーザー向けに表示されます
広告なしで使いたい場合はライト以上へ切り替えると非表示になります。
プランを見る