電験3種 過去問演習

気づいた点は 運営フォーム(外部) で送れます。

通常演習
同じ年度・科目の順番で進みます。
13 / 16 問
一覧へ戻る 次へ進むと同じ条件を保持します。
問題演習

2024年度 電験3種 下期 - 法規 - 問12(a) 2024年度 下期 法規 問12(a)

電験3種 配点 5
ログイン不要で試せます
問題文

まず問題文だけに集中します。採点後に要点と解説へ進みます。

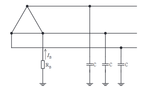
図は三相3線式高圧電路に変圧器で結合された変圧器低圧側電路を示したものである。低圧側電路の一端子にはB種接地工事が施されている。この電路の一相当たりの対地静電容量をCとし接地抵抗を \(R_{B}\) とする。 低圧側電路の線間電圧200V,周波数50Hz,対地静電容量Cは0.1 \(\mu\)Fとして,次の(a)及び(b)の問に答えよ。 ただし, (ア) 変圧器の高圧電路の1線地絡電流は5Aとする。 (イ) 高圧側電路と低圧側電路との混触時に低圧電路の対地電圧が150Vを超えた場合は 1.3 秒で自動的に高圧電路を遮断する装置が設けられているものとする。 変圧器に施された,接地抵抗 \(R_{B}\) の抵抗値について「電気設備技術基準の解釈」で許容されている上限の抵抗値 [\(\Omega\)] として,最も近いものを次の(1)~(5)のうちから一つ選べ。

2024年度 下期 法規 問12(a)の問題図
図はタップで拡大できます。
選択肢

選択後、下の採点ボタンで確認します。

1 選ぶ 2 採点 3 解説
  • (1)
    20
  • (2)
    30
  • (3)
    40
  • (4)
    60
  • (5)
    100
選択肢を選ぶ
選択だけではまだ採点されません。
続けるなら履歴保存

まずこの問題を試せます。無料登録で履歴保存を始めると、14日間は次にやる復習と苦手まで見えます。続けるならライトです。

広告枠
この枠は無料ユーザー向けに表示されます
広告なしで使いたい場合はライト以上へ切り替えると非表示になります。
プランを見る