デモ版公開中です。問題を触ったあとに、使いにくかった点は 運営フォーム(外部) から送れます。

進行状況
13 / 16 問

2024年度 電験3種 下期 - 法規 - 問12(a) 電験3種 配点 5

問題文

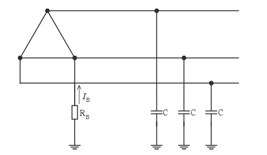
図は三相3線式高圧電路に変圧器で結合された変圧器低圧側電路を示したものである。低圧側電路の一端子にはB種接地工事が施されている。この電路の一相当たりの対地静電容量をCとし接地抵抗を \(R_{B}\) とする。 低圧側電路の線間電圧200V,周波数50Hz,対地静電容量Cは0.1 \(\mu\)Fとして,次の(a)及び(b)の問に答えよ。 ただし, (ア) 変圧器の高圧電路の1線地絡電流は5Aとする。 (イ) 高圧側電路と低圧側電路との混触時に低圧電路の対地電圧が150Vを超えた場合は 1.3 秒で自動的に高圧電路を遮断する装置が設けられているものとする。 変圧器に施された,接地抵抗 \(R_{B}\) の抵抗値について「電気設備技術基準の解釈」で許容されている上限の抵抗値 [\(\Omega\)] として,最も近いものを次の(1)~(5)のうちから一つ選べ。

2024年度 下期 法規 問12(a)
出典:令和6年度第三種電気主任技術者法規科目B問題問12(a)
問題図
図はタップで拡大できます。
選択肢
  • (1)
    20
  • (2)
    30
  • (3)
    40
  • (4)
    60
  • (5)
    100
選択肢を選んでください
選択だけではまだ採点されません。
この問題を触った感想を送ってください

内容の誤りや不足はもちろん、見づらさや使いにくさも歓迎しています。デモ版の改善に使います。

広告枠
この枠は無料ユーザー向けに表示されます
広告なしで使いたい場合はライト以上へ切り替えると非表示になります。
プランを見る