電験3種 過去問演習

気づいた点は 運営フォーム(外部) で送れます。

通常演習
同じ年度・科目の順番で進みます。
20 / 22 問
一覧へ戻る 次へ進むと同じ条件を保持します。
問題演習

2011年度 電験3種 上期 - 理論 - 問17(b) 2011年度 理論 問17(b)

電験3種 配点 5
ログイン不要で試せます
問題文

まず問題文だけに集中します。採点後に要点と解説へ進みます。

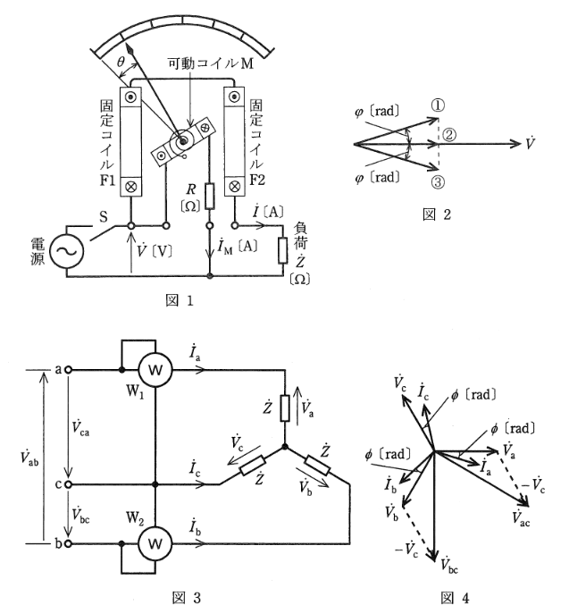
電力計について、次の(a)及び(b)の問に答えよ。 次の文章は,図1に示した単相電力計を $2$ 個使用し,三相電力を測定する $2$ 電力計法の理論に関する記述である。図3のように,誘導性負荷 $\dot{Z}$ を $3$ 個接続した平衡三相負荷回路に対称三相交流電源が接続されている。ここで,線間電圧を $\dot{V}_{ab}$ [V] , $\dot{V}_{bc}$ [V] , $\dot{V}_{ca}$ [V] ,負荷の相電圧を $\dot{V}_a$ [V] , $\dot{V}_b$ [V] , $\dot{V}_c$ [V] ,線電流を $\dot{I}_a$ [A] , $\dot{I}_b$ [A] , $\dot{I}_c$ [A] で示す。この回路で,図のように単相電力計 $W_1$ と $W_2$ を接続すれば,平衡三相負荷の電力が, $2$ 個の単相電力計の指示の和として求めることができる。単相電力計 $W_1$ の電圧コイルに加わる電圧 $\dot{V}_{ac}$ は,図4のベクトル図から $\dot{V}_{ac}=\dot{V}_a-\dot{V}_c$ となる。また,単相電力計 $W_2$ の電圧コイルに加わる電圧 $\dot{V}_{bc}$ は $\dot{V}_{bc}=$ (オ) となる。それぞれの電流コイルに流れる電流 $\dot{I}_a$ , $\dot{I}_b$ と電圧の関係は図4のようになる。図4における $\phi$ [rad] は相電圧と線電流の位相角である。線間電圧の大きさを $V_{ab}=V_{bc}=V_{ca}=V$ [V] ,線電流の大きさを $I_a=I_b=I_c=I$ [A] とおくと,単相電力計 $W_1$ 及び $W_2$ の指示をそれぞれ $P_1$ [W] , $P_2$ [W] とすれば,$$\begin{aligned} P_1 &= V_{ac}I_a\cos \left( \text{(カ)} \right) \ \text{[W]} \\ P_2 &= V_{bc}I_b\cos \left( \text{(キ)} \right) \ \text{[W]} \end{aligned}$$したがって, $P_1$ と $P_2$ の和 $P$ [W] は,$$P = P_1 + P_2 = VI \left( \text{(ク)} \right) \cos \phi = \sqrt{3}VI\cos \phi \ \text{[W]}$$となるので, $2$ 個の単相電力計の指示の和は三相電力に等しくなる。上記の記述中の空白箇所(オ),(カ),(キ)及び(ク)に当てはまる組合せとして,正しいものを次の(1)~(5)のうちから一つ選べ。

2011年度 理論 問17(b)の問題図
図はタップで拡大できます。
選択肢

選択後、下の採点ボタンで確認します。

1 選ぶ 2 採点 3 解説
(ア)
(イ)
(ウ)
(エ)
  • (1)
    (ア)
    $\dot{V}_b-\dot{V}_c$
    (イ)
    $\frac{\pi}{6}-\phi$
    (ウ)
    $\frac{\pi}{6}+\phi$
    (エ)
    $2\cos\frac{\pi}{6}$
  • (2)
    (ア)
    $\dot{V}_c-\dot{V}_b$
    (イ)
    $\phi-\frac{\pi}{6}$
    (ウ)
    $\phi+\frac{\pi}{6}$
    (エ)
    $2\sin\frac{\pi}{6}$
  • (3)
    (ア)
    $\dot{V}_b-\dot{V}_c$
    (イ)
    $\frac{\pi}{6}-\phi$
    (ウ)
    $\frac{\pi}{6}+\phi$
    (エ)
    $2\cos\frac{\pi}{3}$
  • (4)
    (ア)
    $\dot{V}_b-\dot{V}_c$
    (イ)
    $\frac{\pi}{3}-\phi$
    (ウ)
    $\frac{\pi}{3}+\phi$
    (エ)
    $2\cos\frac{\pi}{6}$
  • (5)
    (ア)
    $\dot{V}_c-\dot{V}_b$
    (イ)
    $\frac{\pi}{3}-\phi$
    (ウ)
    $\frac{\pi}{3}+\phi$
    (エ)
    $2\sin\frac{\pi}{3}$
選択肢を選ぶ
選択だけではまだ採点されません。
続けるなら履歴保存

まずこの問題を試せます。無料登録で履歴保存を始めると、14日間は次にやる復習と苦手まで見えます。続けるならライトです。

広告枠
この枠は無料ユーザー向けに表示されます
広告なしで使いたい場合はライト以上へ切り替えると非表示になります。
プランを見る