電験3種 過去問演習

気づいた点は 運営フォーム(外部) で送れます。

通常演習
同じ年度・科目の順番で進みます。
19 / 22 問
一覧へ戻る 次へ進むと同じ条件を保持します。
問題演習

2011年度 電験3種 上期 - 機械 - 問17(a) 2011年度 機械 問17(a)

電験3種 配点 5
ログイン不要で試せます
問題文

まず問題文だけに集中します。採点後に要点と解説へ進みます。

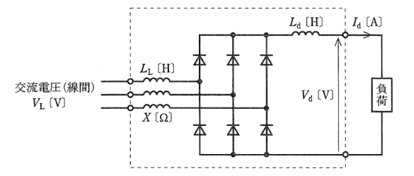
(選択問題) 次の図は、バルブデバイスとしてダイオードを用いた三相整流装置の回路を示す。 平滑リアクトルのインダクタンス \(L_{d}\) [H] は十分に大きく、直流電流 \(I_{d}\) [A] は一定になっているものとする。 交流側にリアクタンス \(X\) [\(\Omega\)] のリアクトルがあると転流時に重なり角が生じ、直流電圧が降下する。また、ダイオードの順電圧降下 \(V_{F}\) [V] によっても直流電圧が降下する。これら以外の電圧降下は無視する。入力交流電圧が \(V_{L}\) [V] のときのこの整流装置の出力電圧 \(V_{d}\) [V] は次式で求められる。 \[ V_{d}=\dfrac{3\sqrt{2}}{\pi}V_{L}-\dfrac{3}{\pi}X \cdot I_{d}-2V_{F} \] この整流装置の入力交流電圧は \(V_{L}=200\) [V], 周波数は \(f=50\) [Hz]で、直流電流は \(I_{d}=36\) [A] である。交流側のリアクトルのインダクタンスは \(L_{L}=5.56\times10^{-4}\) [H] で、その抵抗値は平滑リアクトルの抵抗値とともに無視できるものとする。また、各ダイオードの順電圧降下は \(V_{F}=1.0\) [V] で一定とする。次の(a)及び(b)の問に答えよ。 ダイオードでは、電流の通電によって損失が発生する。一つのダイオードの損失の平均値は、通電する期間が1サイクルの \(\frac{1}{3}\) であるとして計算できる。一つのダイオードで発生する損失 [W] の平均値に最も近いものを次の(1)~(5)のうちから一つ選べ。

2011年度 機械 問17(a)の問題図
図はタップで拡大できます。
選択肢

選択後、下の採点ボタンで確認します。

1 選ぶ 2 採点 3 解説
  • (1)
    12
  • (2)
    18
  • (3)
    24
  • (4)
    36
  • (5)
    72
選択肢を選ぶ
選択だけではまだ採点されません。
続けるなら履歴保存

まずこの問題を試せます。無料登録で履歴保存を始めると、14日間は次にやる復習と苦手まで見えます。続けるならライトです。

広告枠
この枠は無料ユーザー向けに表示されます
広告なしで使いたい場合はライト以上へ切り替えると非表示になります。
プランを見る