気づいた点は 運営フォーム(外部) で送れます。
まず問題文だけに集中します。採点後に要点と解説へ進みます。
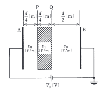
極板 A-B間が誘電率 \(\varepsilon_{0}\) [F/m] の空気で満たされている平行平板コンデンサの空気ギャップ長を\(d\) [m]、静電容量を \(C_{0}\) [F] とし、極板間の直流電圧を\(V_{0}\) [V]とする。極板と同じ形状と面積を持ち、厚さが \(\dfrac{d}{4}\) [m],誘電率 \(\varepsilon_{1}\) [F/m] の固体誘電体 (\(\varepsilon_{1}>\varepsilon_{0}\)) を図に示す位置 P-Q間に極板と平行に挿入すると、コンデンサ内の電位分布は変化し、静電容量は \(C_{1}\) [F]に変化した。このとき、誤っているものを次の(1)~(5)のうちから一つ選べ。 ただし、空気の誘電率を\(\varepsilon_{0}\), コンデンサの端効果は無視できるものとし、直流電圧 \(V_{0}\) [V] は一定とする。
選択後、下の採点ボタンで確認します。
解説を確認して次へ進みます。
要点で考え方を戻し、必要なら詳細解説で手順を追います。
続けるときだけ、近い問題を1問選びます。
まずこの問題を試せます。無料登録で履歴保存を始めると、14日間は次にやる復習と苦手まで見えます。続けるならライトです。