電験3種 過去問演習

気づいた点は 運営フォーム(外部) で送れます。

通常演習
同じ年度・科目の順番で進みます。
15 / 22 問
一覧へ戻る 次へ進むと同じ条件を保持します。
問題演習

2012年度 電験3種 上期 - 理論 - 問15(a) 2012年度 理論 問15(a)

電験3種 配点 5
ログイン不要で試せます
問題文

まず問題文だけに集中します。採点後に要点と解説へ進みます。

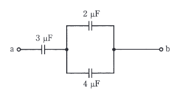
図のように、三つの平行平板コンデンサを直並列に接続した回路がある。ここで、それぞれのコンデンサの極板の形状及び面積は同じであり、極板間には同一の誘電体が満たされている。なお、コンデンサの初期電荷は零とし、端効果は無視できるものとする。 いま、端子a-b間に直流電圧300 [V] を加えた。このとき、次の(a)及び(b)の問に答えよ。 静電容量が4 [μF] のコンデンサに蓄えられる電荷Q [C] の値として、正しいものを次の(1)~(5)のうちから一つ選べ。

2012年度 理論 問15(a)の問題図
図はタップで拡大できます。
選択肢

選択後、下の採点ボタンで確認します。

1 選ぶ 2 採点 3 解説
  • (1)
    \(1.2\times10^{-4}\)
  • (2)
    \(2\times10^{-4}\)
  • (3)
    \(2.4\times10^{-4}\)
  • (4)
    \(3\times10^{-4}\)
  • (5)
    \(4\times10^{-4}\)
選択肢を選ぶ
選択だけではまだ採点されません。
続けるなら履歴保存

まずこの問題を試せます。無料登録で履歴保存を始めると、14日間は次にやる復習と苦手まで見えます。続けるならライトです。

広告枠
この枠は無料ユーザー向けに表示されます
広告なしで使いたい場合はライト以上へ切り替えると非表示になります。
プランを見る