気づいた点は 運営フォーム(外部) で送れます。
まず問題文だけに集中します。採点後に要点と解説へ進みます。
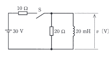
図の回路において、十分に長い時間開いていたスイッチSを時刻 \(t=0\) [ms] から時刻 \(t=15\) [ms] の間だけ閉じた。このとき、インダクタンス 20 [mH] のコイルの端子間電圧 \(v\) [V] の時間変化を示す図として、最も近いものを次の(1)~(5)のうちから一つ選べ。
選択後、下の採点ボタンで確認します。
解説を確認して次へ進みます。
要点で考え方を戻し、必要なら詳細解説で手順を追います。
続けるときだけ、近い問題を1問選びます。
まずこの問題を試せます。無料登録で履歴保存を始めると、14日間は次にやる復習と苦手まで見えます。続けるならライトです。