電験3種 過去問演習

気づいた点は 運営フォーム(外部) で送れます。

通常演習
同じ年度・科目の順番で進みます。
9 / 22 問
一覧へ戻る 次へ進むと同じ条件を保持します。
問題演習

2013年度 電験3種 上期 - 機械 - 問9 2013年度 機械 問9

電験3種 配点 5
ログイン不要で試せます
問題文

まず問題文だけに集中します。採点後に要点と解説へ進みます。

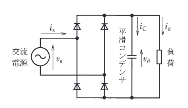
次の文章は、図に示すような平滑コンデンサをもつ単相ダイオードブリッジ整流回路に関する記述である。 図の回路において、平滑コンデンサの電流 \(i_c\) は、交流電流 \(|i_s|\) を整流した電流 \(|i_s|\) と負荷に供給する電流 \(i_d\) との差となり、電圧 \(v_d\) は (ア) 波形となる。この平滑コンデンサをもつ整流回路は、負荷側からみると直流の (イ) として動作する。 交流電源は、負荷インピーダンスに比べ電源インピーダンスが非常に小さいことが一般的であるので、通常の用途では交流の (ウ) として扱われる。この回路の交流電流は、正負の (エ) 波形となる。これに対して、図には示していないが、リアクトルを交流電源と整流回路との間に挿入するなどして、波形を改善することが多い。

2013年度 機械 問9の問題図
図はタップで拡大できます。
選択肢

選択後、下の採点ボタンで確認します。

1 選ぶ 2 採点 3 解説
(ア)
(イ)
(ウ)
(エ)
  • (1)
    (ア)
    脈動する
    (イ)
    電圧源
    (ウ)
    電圧源
    (エ)
    パルス状の
  • (2)
    (ア)
    正負に反転する
    (イ)
    電流源
    (ウ)
    電圧源
    (エ)
    パルス状の
  • (3)
    (ア)
    脈動する
    (イ)
    電圧源
    (ウ)
    電流源
    (エ)
    ほぼ方形波の
  • (4)
    (ア)
    正負に反転する
    (イ)
    電流源
    (ウ)
    電圧源
    (エ)
    パルス状の
  • (5)
    (ア)
    正負に反転する
    (イ)
    電流源
    (ウ)
    電流源
    (エ)
    ほぼ方形波の
選択肢を選ぶ
選択だけではまだ採点されません。
続けるなら履歴保存

まずこの問題を試せます。無料登録で履歴保存を始めると、14日間は次にやる復習と苦手まで見えます。続けるならライトです。

広告枠
この枠は無料ユーザー向けに表示されます
広告なしで使いたい場合はライト以上へ切り替えると非表示になります。
プランを見る