気づいた点は 運営フォーム(外部) で送れます。
まず問題文だけに集中します。採点後に要点と解説へ進みます。
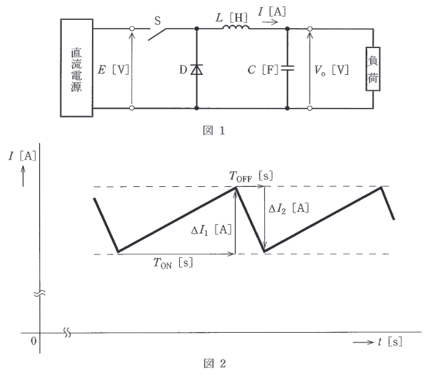
図1は、代表的なスイッチング電源回路の原理図を示している。次の(a)及び(b)の問に答えよ。 スイッチSがオンの間にコイルの電流 \(I\) が増加する量を \(\Delta I_{1}\) [A] とし、スイッチSがオフの間に \(I\) が減少する量を \(\Delta I_{2}\) [A] とすると、定常的には図2の太線に示すような電流の変化がみられ、 \(\Delta I_{1}=\Delta I_{2}\) が成り立つ。 ここで出力電圧 \(V_{0}\) [V] のリプルは十分小さく、出力電圧を一定とし、電流 \(I\) の増減は図2のように直線的であるとする。また、ダイオードの順方向電圧は0Vと近似する。さらに、スイッチSがオン並びにオフしている時間をそれぞれ \(T_{ON}\) [s]、 \(T_{OFF}\) [s] とする。 \(\Delta I_{1}\) と \(V_{o}\) を表す式の組合せとして、正しいものを次の(1)~(5)のうちから一つ選べ。
選択後、下の採点ボタンで確認します。
解説を確認して次へ進みます。
要点で考え方を戻し、必要なら詳細解説で手順を追います。
続けるときだけ、近い問題を1問選びます。
まずこの問題を試せます。無料登録で履歴保存を始めると、14日間は次にやる復習と苦手まで見えます。続けるならライトです。