電験3種 過去問演習

気づいた点は 運営フォーム(外部) で送れます。

通常演習
同じ年度・科目の順番で進みます。
18 / 22 問
一覧へ戻る 次へ進むと同じ条件を保持します。
問題演習

2016年度 電験3種 上期 - 理論 - 問16(b) 2016年度 理論 問16(b)

電験3種 配点 5
ログイン不要で試せます
問題文

まず問題文だけに集中します。採点後に要点と解説へ進みます。

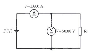
図のような回路において、抵抗 \(R\) の値 [\Omega] を電圧降下法によって測定した。この測定で得られた値は、電流計 \(I=1.600\) A、電圧計 \(V=50.00\) V であった。次の(a)及び(b)の問に答えよ。 ただし、抵抗 \(R\) の真の値は \(31.21\) \(\Omega\) とし、直流電源、電圧計及び電流計の内部抵抗の影響は無視できるものである。また、抵抗 \(R\) の測定値は有効数字4桁で計算せよ。 絶対誤差の真の値に対する比率を相対誤差という。これを百分率で示した、抵抗 \(R\) の百分率誤差(誤差率)[%] として、最も近いものを次の(1)~(5)のうちから一つ選べ。

2016年度 理論 問16(b)の問題図
図はタップで拡大できます。
選択肢

選択後、下の採点ボタンで確認します。

1 選ぶ 2 採点 3 解説
  • (1)
    0.0013
  • (2)
    0.03
  • (3)
    0.13
  • (4)
    0.3
  • (5)
    1.3
選択肢を選ぶ
選択だけではまだ採点されません。
続けるなら履歴保存

まずこの問題を試せます。無料登録で履歴保存を始めると、14日間は次にやる復習と苦手まで見えます。続けるならライトです。

広告枠
この枠は無料ユーザー向けに表示されます
広告なしで使いたい場合はライト以上へ切り替えると非表示になります。
プランを見る