電験3種 過去問演習

気づいた点は 運営フォーム(外部) で送れます。

通常演習
同じ年度・科目の順番で進みます。
17 / 22 問
一覧へ戻る 次へ進むと同じ条件を保持します。
問題演習

2016年度 電験3種 上期 - 機械 - 問16(a) 2016年度 機械 問16(a)

電験3種 配点 5
ログイン不要で試せます
問題文

まず問題文だけに集中します。採点後に要点と解説へ進みます。

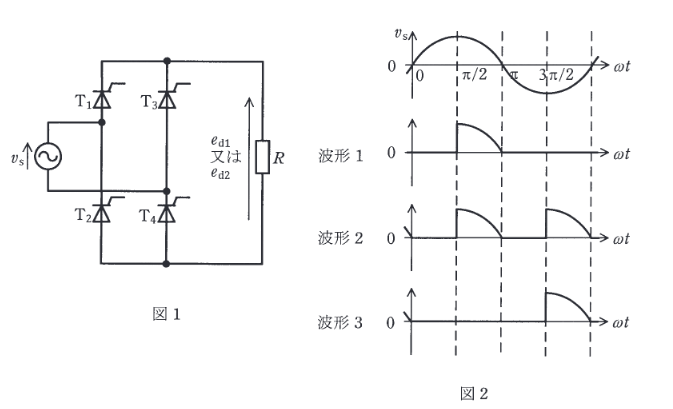
純抵抗を負荷とした単相サイリスタ全波整流回路の動作について、次の(a)及び(b)の問に答えよ。 図1に単相サイリスタ全波整流回路を示す。サイリスタ \(T_{1}\sim T_{4}\) に制御遅れ角 \(\alpha=\pi/2\) [rad] でゲート信号を与えて運転しようとしている。\(T_{2}\) 及び \(T_{3}\) のゲート信号は正しく与えられたが、\(T_{1}\) 及び \(T_{4}\) のゲート信号が全く与えられなかった場合の出力電圧波形を \(e_{d1}\) とし、正しく \(T_{1}\sim T_{4}\) にゲート信号が与えられた場合の出力電圧波形を \(e_{d2}\) とする。図2の波形1~波形3から、\(e_{d1}\) 及び \(e_{d2}\) の組合せとして正しいものを次の(1)~(5)のうちから一つ選べ。

2016年度 機械 問16(a)の問題図
図はタップで拡大できます。
選択肢

選択後、下の採点ボタンで確認します。

1 選ぶ 2 採点 3 解説
  • (1)
    \(e_{d1}\): 波形1, \(e_{d2}\): 波形2
  • (2)
    \(e_{d1}\): 波形2, \(e_{d2}\): 波形1
  • (3)
    \(e_{d1}\): 波形2, \(e_{d2}\): 波形3
  • (4)
    \(e_{d1}\): 波形3, \(e_{d2}\): 波形1
  • (5)
    \(e_{d1}\): 波形3, \(e_{d2}\): 波形2
選択肢を選ぶ
選択だけではまだ採点されません。
続けるなら履歴保存

まずこの問題を試せます。無料登録で履歴保存を始めると、14日間は次にやる復習と苦手まで見えます。続けるならライトです。

広告枠
この枠は無料ユーザー向けに表示されます
広告なしで使いたい場合はライト以上へ切り替えると非表示になります。
プランを見る