気づいた点は 運営フォーム(外部) で送れます。
まず問題文だけに集中します。採点後に要点と解説へ進みます。
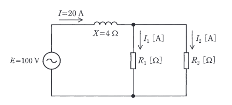
図のように、交流電圧 \( E=100 \, \mathrm{V} \) の電源、誘導性リアクタンス \( X=4 \, \Omega \) のコイル、\( R_1 \, [\Omega] \)、\( R_2 \, [\Omega] \) の抵抗からなる回路がある。いま、回路を流れる電流の値が \( I=20 \, \mathrm{A} \) であり、また、抵抗 \( R_1 \) に流れる電流 \( I_1 \, [\mathrm{A}] \) と抵抗 \( R_2 \) に流れる電流 \( I_2 \, [\mathrm{A}] \) との比が、\( I_1 : I_2 = 1 : 3 \) であった。このとき、抵抗 \( R_1 \) の値 \( [\Omega] \) として、最も近いものを次の(1)~(5)のうちから一つ選べ。
選択後、下の採点ボタンで確認します。
解説を確認して次へ進みます。
要点で考え方を戻し、必要なら詳細解説で手順を追います。
続けるときだけ、近い問題を1問選びます。
まずこの問題を試せます。無料登録で履歴保存を始めると、14日間は次にやる復習と苦手まで見えます。続けるならライトです。