問題文
まず問題文だけに集中します。採点後に要点と解説へ進みます。
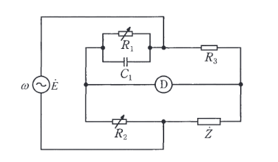
図は未知のインピーダンス \( \dot{Z} \, [\Omega] \) を測定するための交流ブリッジである。電源の電圧を \( \dot{E} \, [\mathrm{V}] \)、角周波数を \( \omega \, [\mathrm{rad/s}] \) とする。ただし、静電容量 \( C_1 \, [\mathrm{F}] \)、抵抗 \( R_1 \, [\Omega], R_2 \, [\Omega], R_3 \, [\Omega] \) は零でないとする。次の(a)及び(b)の問に答えよ。
交流検出器Dによる検出電圧が零となる平衡条件を \( \dot{Z}, R_1, R_2, R_3 \) 及び \( C_1 \) を用いて表すと、
\( \fbox{ (ア) } \cdot \dot{Z} = R_2 R_3 \)
となる。
上式の空白に入る式として適切なものを次の(1)~(5)のうちから一つ選べ。
図はタップで拡大できます。
1 選ぶ
2 採点
3 解説
-
(1)
\( R_1 + \dfrac{1}{j\omega C_1} \)
-
(2)
\( \sqrt{\dfrac{R_1}{j\omega C_1}} \)
-
(3)
\( \dfrac{R_1}{1 + j\omega C_1 R_1} \)
-
(4)
\( \dfrac{R_1}{1 - j\omega C_1 R_1} \)
-
(5)
\( R_1 - \dfrac{1}{j\omega C_1} \)
あなた: -番
正解: 3番
この問題で変わったこと
・この問題では「静電気」を固められます。
・関連問題 5 問で続けて定着できます。
要点
正解は(3)。ブリッジの一辺は \(R_1\) と \(\dfrac{1}{\mathrm{j}\omega C_1}\) の並列なので, となり(3)。
詳細解説
ブリッジの一辺は \(R_1\) と \(\dfrac{1}{\mathrm{j}\omega C_1}\) の並列なので,
\[
\dot Z_1=\dfrac{R_1\cdot \dfrac{1}{\mathrm{j}\omega C_1}}{R_1+\dfrac{1}{\mathrm{j}\omega C_1}}
=\dfrac{R_1}{1+\mathrm{j}\omega C_1R_1}
\]
となり(3)。
続けるなら履歴保存
まずこの問題を試せます。無料登録で履歴保存を始めると、14日間は次にやる復習と苦手まで見えます。続けるならライトです。
広告枠
この枠は無料ユーザー向けに表示されます
広告なしで使いたい場合はライト以上へ切り替えると非表示になります。
プランを見る