気づいた点は 運営フォーム(外部) で送れます。
まず問題文だけに集中します。採点後に要点と解説へ進みます。
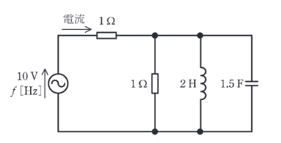
次の文章は、図の回路に関する記述である。 交流電圧源の出力電圧を 10 V に保ちながら周波数 \(f\) [Hz] を変化させるとき、交流電圧源の電流の大きさが最小となる周波数は (ア) Hz である。このとき、この電流の大きさは (イ) A であり、その位相は電源電圧を基準として (ウ) 。 ただし、電流の向きは図に示す矢印のとおりとする。 上記の記述中の空白箇所(ア)、(イ)及び(ウ)に当てはまる組合せとして、正しいものを次の(1)~(5)のうちから一つ選べ。
選択後、下の採点ボタンで確認します。
解説を確認して次へ進みます。
要点で考え方を戻し、必要なら詳細解説で手順を追います。
続けるときだけ、近い問題を1問選びます。
まずこの問題を試せます。無料登録で履歴保存を始めると、14日間は次にやる復習と苦手まで見えます。続けるならライトです。