気づいた点は 運営フォーム(外部) で送れます。
まず問題文だけに集中します。採点後に要点と解説へ進みます。
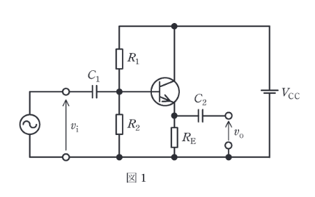
エミッタホロワ回路について、次の(a)及び(b)の問に答えよ。 図1の回路で \(V_{CC}=10\) V、\(R_{1}=18\) k\(\Omega\)、\(R_{2}=82\) k\(\Omega\) とする。動作点におけるエミッタ電流を 1 mA としたい。抵抗 \(R_{E}\) の値 [k\(\Omega\)] として、最も近いものを次の(1)~(5)のうちから一つ選べ。ただし、動作点において、ベース電流は \(R_{2}\) を流れる直流電流より十分小さく無視できるものとし、ベースーエミッタ間電圧は 0.7 V とする。
選択後、下の採点ボタンで確認します。
解説を確認して次へ進みます。
要点で考え方を戻し、必要なら詳細解説で手順を追います。
続けるときだけ、近い問題を1問選びます。
まずこの問題を試せます。無料登録で履歴保存を始めると、14日間は次にやる復習と苦手まで見えます。続けるならライトです。