電験3種 過去問演習

気づいた点は 運営フォーム(外部) で送れます。

通常演習
同じ年度・科目の順番で進みます。
6 / 22 問
一覧へ戻る 次へ進むと同じ条件を保持します。
問題演習

2019年度 電験3種 上期 - 理論 - 問6 2019年度 理論 問6

電験3種 配点 5
ログイン不要で試せます
問題文

まず問題文だけに集中します。採点後に要点と解説へ進みます。

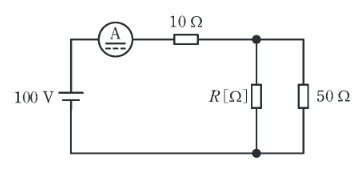
図に示す直流回路は、100Vの直流電圧源に直流電流計を介して10Ωの抵抗が接続され、50Ωの抵抗と抵抗\(R\) [\(\Omega\)] が接続されている。電流計は5Aを示している。抵抗\(R\) [\(\Omega\)] で消費される電力の値 [W]として、最も近いものを次の(1)〜(5)のうちから一つ選べ。なお、電流計の内部抵抗は無視できるものとする。

2019年度 理論 問6の問題図
図はタップで拡大できます。
選択肢

選択後、下の採点ボタンで確認します。

1 選ぶ 2 採点 3 解説
  • (1)
    2
  • (2)
    10
  • (3)
    20
  • (4)
    100
  • (5)
    200
選択肢を選ぶ
選択だけではまだ採点されません。
続けるなら履歴保存

まずこの問題を試せます。無料登録で履歴保存を始めると、14日間は次にやる復習と苦手まで見えます。続けるならライトです。

広告枠
この枠は無料ユーザー向けに表示されます
広告なしで使いたい場合はライト以上へ切り替えると非表示になります。
プランを見る