問題文
まず問題文だけに集中します。採点後に要点と解説へ進みます。
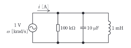
図は、実効値が1Vで角周波数 \(\omega\) [krad/s] が変化する正弦波交流電源を含む回路である。いま、 \(\omega\) の値が \(\omega_{1}=5\) krad/s, \(\omega_{2}=10\) krad/s, \(\omega_{3}=30\) krad/s と3通りの場合を考え、 \(\omega=\omega_{k}\) \((k=1,2,3)\) のときの電流 \(i\) [A]の実効値を \(I_{k}\) と表すとき、\(I_{1}, I_{2}, I_{3}\) の大小関係として、正しいものを次の(1)〜(5)のうちから一つ選べ。
図はタップで拡大できます。
1 選ぶ
2 採点
3 解説
-
(1)
\(I_{1} < I_{2} < I_{3}\)
-
(2)
\(I_{1} = I_{2} < I_{3}\)
-
(3)
\(I_{2} < I_{1} < I_{3}\)
-
(4)
\(I_{2} < I_{1} = I_{3}\)
-
(5)
\(I_{3} < I_{2} < I_{1}\)
あなた: -番
正解: 3番
この問題で変わったこと
・この問題では「三相回路」を固められます。
・関連問題 5 問で続けて定着できます。
要点
正解は(3)。\(|B_3| > |B_1|\) であるため、アドミタンスは \(\omega_3\) の方が大きく、電流も大きくなる。よって、順序は \(I_2 (\text{最小}) < I_1 < I_3\) となる。
詳細解説
RLC並列共振回路の問題である。共振角周波数 \(\omega_0\) を求める。
\(L = 1\) mH \(= 10^{-3}\) H, \(C = 10 \mu\)F \(= 10^{-5}\) F。
\[ \omega_0 = \dfrac{1}{\sqrt{LC}} = \dfrac{1}{\sqrt{10^{-3} \times 10^{-5}}} = \dfrac{1}{\sqrt{10^{-8}}} = 10^4 \text{ rad/s} = 10 \text{ krad/s} \]
並列共振回路では、共振時(\(\omega = \omega_0\))にインピーダンスが最大となり、電流は最小となる。
したがって、\(\omega_2 = 10\) krad/s のとき、電流 \(I_2\) は最小値をとる。
次に、\(\omega_1\) と \(\omega_3\) での電流の大きさを比較する。並列回路のサセプタンス成分 \(B(\omega) = \omega C - \dfrac{1}{\omega L}\) の絶対値が大きいほど、アドミタンスが大きくなり電流も大きくなる。
* \(\omega_1 = 5\) krad/s (\(0.5\omega_0\)):
\(B_1 = 5\times 10^3 \times 10^{-5} - \dfrac{1}{5\times 10^3 \times 10^{-3}} = 0.05 - 0.2 = -0.15\) S。
\(|B_1| = 0.15\)。
* \(\omega_3 = 30\) krad/s (\(3\omega_0\)):
\(B_3 = 30\times 10^3 \times 10^{-5} - \dfrac{1}{30\times 10^3 \times 10^{-3}} = 0.3 - \dfrac{1}{30} \approx 0.3 - 0.033 = 0.267\) S。
\(|B_3| \approx 0.267\)。
\(|B_3| > |B_1|\) であるため、アドミタンスは \(\omega_3\) の方が大きく、電流も大きくなる。
よって、順序は \(I_2 (\text{最小}) < I_1 < I_3\) となる。
続けるなら履歴保存
まずこの問題を試せます。無料登録で履歴保存を始めると、14日間は次にやる復習と苦手まで見えます。続けるならライトです。
広告枠
この枠は無料ユーザー向けに表示されます
広告なしで使いたい場合はライト以上へ切り替えると非表示になります。
プランを見る