電験3種 過去問演習

気づいた点は 運営フォーム(外部) で送れます。

通常演習
同じ年度・科目の順番で進みます。
10 / 22 問
一覧へ戻る 次へ進むと同じ条件を保持します。
問題演習

2020年度 電験3種 上期 - 理論 - 問10 2020年度 理論 問10

電験3種 配点 5
ログイン不要で試せます
問題文

まず問題文だけに集中します。採点後に要点と解説へ進みます。

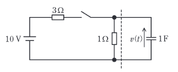
図の回路のスイッチを閉じたあとの電圧 \(v(t)\) の波形を考える。破線から左側にテブナンの定理を適用することで、回路の時定数 \(\tau\) [s] と \(v(t)\) の最終値 [V]の組合せとして、最も近いものを次の(1)~(5)のうちから一つ選べ。 ただし、初めスイッチは開いており、回路は定常状態にあったとする。 (回路定数:電源10V、直列抵抗3Ω、並列抵抗1Ω、並列コンデンサ1F)

2020年度 理論 問10の問題図
図はタップで拡大できます。
選択肢

選択後、下の採点ボタンで確認します。

1 選ぶ 2 採点 3 解説
  • (1)
    時定数: 0.75, 最終値: 10
  • (2)
    時定数: 0.75, 最終値: 2.5
  • (3)
    時定数: 4, 最終値: 2.5
  • (4)
    時定数: 1, 最終値: 10
  • (5)
    時定数: 1, 最終値: 0
選択肢を選ぶ
選択だけではまだ採点されません。
続けるなら履歴保存

まずこの問題を試せます。無料登録で履歴保存を始めると、14日間は次にやる復習と苦手まで見えます。続けるならライトです。

広告枠
この枠は無料ユーザー向けに表示されます
広告なしで使いたい場合はライト以上へ切り替えると非表示になります。
プランを見る