電験3種 過去問演習

気づいた点は 運営フォーム(外部) で送れます。

通常演習
同じ年度・科目の順番で進みます。
6 / 22 問
一覧へ戻る 次へ進むと同じ条件を保持します。
問題演習

2022年度 電験3種 上期 - 理論 - 問6 2022年度 上期 理論 問6

電験3種 配点 5
ログイン不要で試せます
問題文

まず問題文だけに集中します。採点後に要点と解説へ進みます。

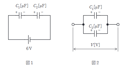
図1に示すように、静電容量 \( C_1 = 4 \mathrm{\mu F} \) と \( C_2 = 2 \mathrm{\mu F} \) の二つのコンデンサが直列に接続され、直流電圧 \( 6 \mathrm{V} \) で充電されている。次に電荷が蓄積されたこの二つのコンデンサを直流電源から切り離し、電荷を保持したまま同じ極性の端子同士を図2に示すように並列に接続する。並列に接続後のコンデンサの端子間電圧の大きさ \( V \mathrm{[V]} \) の値として、最も近いものを次の(1)~(5)のうちから一つ選べ。

2022年度 上期 理論 問6の問題図
図はタップで拡大できます。
選択肢

選択後、下の採点ボタンで確認します。

1 選ぶ 2 採点 3 解説
  • (1)
    \( \dfrac{2}{3} \)
  • (2)
    \( \dfrac{4}{3} \)
  • (3)
    \( \dfrac{8}{3} \)
  • (4)
    \( \dfrac{16}{3} \)
  • (5)
    \( \dfrac{32}{3} \)
選択肢を選ぶ
選択だけではまだ採点されません。
続けるなら履歴保存

まずこの問題を試せます。無料登録で履歴保存を始めると、14日間は次にやる復習と苦手まで見えます。続けるならライトです。

広告枠
この枠は無料ユーザー向けに表示されます
広告なしで使いたい場合はライト以上へ切り替えると非表示になります。
プランを見る