電験3種 過去問演習

気づいた点は 運営フォーム(外部) で送れます。

通常演習
同じ年度・科目の順番で進みます。
21 / 22 問
一覧へ戻る 次へ進むと同じ条件を保持します。
問題演習

2022年度 電験3種 下期 - 理論 - 問18(a) 2022年度 下期 理論 問18(a)

電験3種 配点 5
ログイン不要で試せます
問題文

まず問題文だけに集中します。採点後に要点と解説へ進みます。

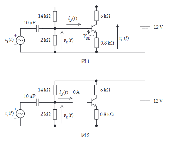
図1の回路は、電流帰還バイアス回路に結合容量を介して、微小な振幅の交流電圧を加えている。この入力電圧の振幅が \( A_{i}=100 \mathrm{mV} \)、角周波数が \( \omega=10000 \mathrm{rad/s} \) で、時刻 \( t \) [s] に対して \( v_{i}(t)=A_{i}\sin \omega t \) と表されるとき、次の(a)及び(b)の問に答えよ。 次の文章は、電圧 \( v_{B}(t) \) に関する記述である。 トランジスタのベース端子に流れ込む電流 \( i_{B}(t) \) が十分に小さいとき、ベース端子を切り離しても2kΩの抵抗の電圧は変化しない。そこで、図2の回路で考え、さらに重ね合わせの理を用いることで、電圧 \( v_{B}(t) \) を求める。まず、\( v_{i}(t)=0 \mathrm{V} \) とすることで、直流電圧 \( V_{B} = (\text{ア}) \) Vが求められる。次に、直流電圧源の値を0Vとし、コンデンサのインピーダンスが2kΩより十分に小さいと考えると、交流電圧 \( v_{B}(t) \) の振幅 \( A_{B} \approx (\text{イ}) \) mVと初期位相 \( \theta_{B} \approx (\text{ウ}) \) rad が求められる。 上記の記述中の空白箇所 (ア)~(ウ) に当てはまる組合せとして、最も近いものを次の(1)~(5)のうちから一つ選べ。

2022年度 下期 理論 問18(a)の問題図
図はタップで拡大できます。
選択肢

選択後、下の採点ボタンで確認します。

1 選ぶ 2 採点 3 解説
(ア)
(イ)
(ウ)
  • (1)
    (ア)
    0.8
    (イ)
    71
    (ウ)
    0
  • (2)
    (ア)
    0.8
    (イ)
    100
    (ウ)
    \(\dfrac{\pi}{4}\)
  • (3)
    (ア)
    1.5
    (イ)
    71
    (ウ)
    \(\dfrac{\pi}{4}\)
  • (4)
    (ア)
    1.5
    (イ)
    100
    (ウ)
    0
  • (5)
    (ア)
    1.5
    (イ)
    71
    (ウ)
    0
選択肢を選ぶ
選択だけではまだ採点されません。
続けるなら履歴保存

まずこの問題を試せます。無料登録で履歴保存を始めると、14日間は次にやる復習と苦手まで見えます。続けるならライトです。

広告枠
この枠は無料ユーザー向けに表示されます
広告なしで使いたい場合はライト以上へ切り替えると非表示になります。
プランを見る