電験3種 過去問演習

気づいた点は 運営フォーム(外部) で送れます。

通常演習
同じ年度・科目の順番で進みます。
10 / 22 問
一覧へ戻る 次へ進むと同じ条件を保持します。
問題演習

2022年度 電験3種 下期 - 機械 - 問10 2022年度 下期 機械 問10

電験3種 配点 5
ログイン不要で試せます
問題文

まず問題文だけに集中します。採点後に要点と解説へ進みます。

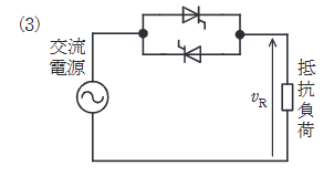
図に示す出力電圧波形を得ることができる電力変換回路として、正しいものを次の(1)~(5)のうちから一つ選べ。ただし、回路中の交流電源は正弦波交流電圧源とする。 (注:問題画像は単相混合ブリッジまたは単相全制御ブリッジと抵抗負荷の波形選択問題です。図(5)の回路はサイリスタ4個の単相全制御ブリッジに見えます)

2022年度 下期 機械 問10の問題図
図はタップで拡大できます。
選択肢

選択後、下の採点ボタンで確認します。

1 選ぶ 2 採点 3 解説
  • (1)
    2022年度 下期 機械 問10 選択肢1の画像
    (波形1:半波整流に近い波形)
  • (2)
    2022年度 下期 機械 問10 選択肢2の画像
    (波形2:全波整流波形)
  • (3)
    2022年度 下期 機械 問10 選択肢3の画像
    (波形3:位相制御された全波整流波形。0〜\(\pi\)の間で途中から立ち上がり\(\pi\)で0になる)
  • (4)
    2022年度 下期 機械 問10 選択肢4の画像
    (波形4:三角波に近い波形)
  • (5)
    2022年度 下期 機械 問10 選択肢5の画像
    (波形5:直流波形)
選択肢を選ぶ
選択だけではまだ採点されません。
続けるなら履歴保存

まずこの問題を試せます。無料登録で履歴保存を始めると、14日間は次にやる復習と苦手まで見えます。続けるならライトです。

広告枠
この枠は無料ユーザー向けに表示されます
広告なしで使いたい場合はライト以上へ切り替えると非表示になります。
プランを見る