電験3種 過去問演習

気づいた点は 運営フォーム(外部) で送れます。

通常演習
同じ年度・科目の順番で進みます。
17 / 22 問
一覧へ戻る 次へ進むと同じ条件を保持します。
問題演習

2022年度 電験3種 下期 - 機械 - 問16(a) 2022年度 下期 機械 問16(a)

電験3種 配点 5
ログイン不要で試せます
問題文

まず問題文だけに集中します。採点後に要点と解説へ進みます。

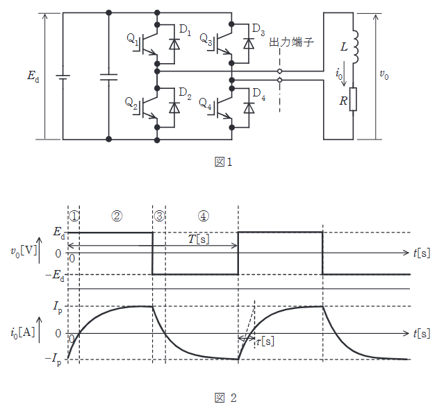
図1は、IGBTを用いた単相ブリッジ接続の電圧形インバータを示す。直流電圧 \(E_{d}\) [V]は、一定値と見なせる。出力端子には、インダクタンス \(L\) [H]で抵抗値 \(R\) [\(\Omega\)]の誘導性負荷が接続されている。この電圧形インバータの出力電圧 \(v_{0}\)、出力電流 \(i_{0}\) が図2のようになった。インバータの動作モードを図2に示す①~④として本モードは周期 \(T\) [s] で繰り返されるものとする。なお、上下スイッチの短絡を防ぐデッドタイムは考慮しない。 次の(a)及び(b)の問に答えよ。 図2に示した区間①~④において電流が流れているデバイスの組合せとして正しいものを次の(1)~(5)のうちから一つ選べ。

2022年度 下期 機械 問16(a)の問題図
図はタップで拡大できます。
選択肢

選択後、下の採点ボタンで確認します。

1 選ぶ 2 採点 3 解説
この問題の選択肢データは補完中です。気づいた点は「問題を報告」から送れます。
選択肢を選ぶ
選択だけではまだ採点されません。
続けるなら履歴保存

まずこの問題を試せます。無料登録で履歴保存を始めると、14日間は次にやる復習と苦手まで見えます。続けるならライトです。

広告枠
この枠は無料ユーザー向けに表示されます
広告なしで使いたい場合はライト以上へ切り替えると非表示になります。
プランを見る