要点
正解は(1)。基本式と比例関係を使って、変わる量と変わらない量を整理する問題です。変わる量と変わらない量を切り分けて考えると判断しやすいです。復習では、使う式、代入値、単位換算の順で声に出して確認すると取り違えが減ります。
詳細解説
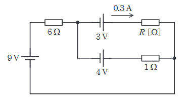
回路の接続点(9V電源の正極側から6Ωを通った点)の電位を \(V_A\) とします(9V電源の負極を0V基準とする)。
また、右側の合流点の電位を \(V_B\) とします。図より右端は短絡されている(あるいは共通帰線)と見なして解析します。
キルヒホッフの法則またはミルマンの定理等を適用します。
9V電源から流れる電流は、3V電源側と4V電源側に分流します。
上側の枝(3V電源側):電流 0.3 A。
下側の枝(4V電源側):電流 \(I_{low}\)。
上側の枝の電圧降下の式:
\(V_A + 3 - 0.3R = V_B\) (電池の向きに注意。ここでは図の左側がプラスと仮定)
下側の枝の電圧降下の式:
\(V_A + 4 - 1 \cdot I_{low} = V_B\)
また、左側の枝(9V電源):
\(9 - 6(0.3 + I_{low}) = V_A - V_{GND}\) (基準をどこに取るかによる)
閉回路方程式で解きます。
外周ループ: \(9 - 6(0.3 + I_{low}) + 3 - 0.3R = 0\)
下側ループを含む閉回路: \(9 - 6(0.3 + I_{low}) + 4 - 1 \cdot I_{low} = 0\)
第2式より:
\(13 - 1.8 - 6I_{low} - I_{low} = 0\)
\(11.2 = 7I_{low} \implies I_{low} = 1.6 \text{ A}\)
これを第1式に代入:
\(12 - 6(0.3 + 1.6) - 0.3R = 0\)
\(12 - 6(1.9) - 0.3R = 0\)
\(12 - 11.4 = 0.3R\)
\(0.6 = 0.3R \implies R = 2.0 \Omega\)