デモ版公開中です。問題を触ったあとに、使いにくかった点は 運営フォーム(外部) から送れます。

進行状況
22 / 22 問

2024年度 電験3種 下期 - 理論 - 問18(b) 電験3種 配点 5

問題文

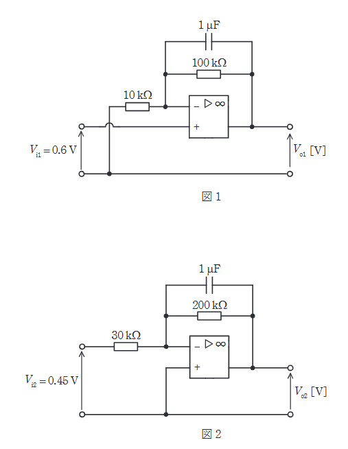
演算増幅器(オペアンプ)について、次の(a)及び(b)の問に答えよ。 図1及び図2のような直流増幅回路がある。それぞれの出力電圧 \( V_{o1} \), \( V_{o2} \) の値 \( [\mathrm{V}] \) の組合せとして、正しいものを次の(1)~(5)のうちから一つ選べ。 ただし、演算増幅器は理想的なものとし、 \( V_{i1}=0.6 \mathrm{V} \) 及び \( V_{i2}=0.45 \mathrm{V} \) は直流の入力電圧である。

2024年度 下期 理論 問18(b)
出典:令和6年度第三種電気主任技術者理論科目B問題問18(b)
問題図
図はタップで拡大できます。
選択肢
  • (1)
    \( V_{o1} = 6.6, \quad V_{o2} = -3.0 \)
  • (2)
    \( V_{o1} = 6.6, \quad V_{o2} = 3.0 \)
  • (3)
    \( V_{o1} = -6.6, \quad V_{o2} = 3.0 \)
  • (4)
    \( V_{o1} = -4.5, \quad V_{o2} = 9.0 \)
  • (5)
    \( V_{o1} = 4.5, \quad V_{o2} = -9.0 \)
選択肢を選んでください
選択だけではまだ採点されません。
この問題を触った感想を送ってください

内容の誤りや不足はもちろん、見づらさや使いにくさも歓迎しています。デモ版の改善に使います。

広告枠
この枠は無料ユーザー向けに表示されます
広告なしで使いたい場合はライト以上へ切り替えると非表示になります。
プランを見る