電験3種 過去問演習

気づいた点は 運営フォーム(外部) で送れます。

通常演習
同じ年度・科目の順番で進みます。
13 / 22 問
一覧へ戻る 次へ進むと同じ条件を保持します。
問題演習

2011年度 電験3種 上期 - 理論 - 問13 2011年度 理論 問13

電験3種 配点 5
ログイン不要で試せます
問題文

まず問題文だけに集中します。採点後に要点と解説へ進みます。

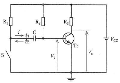
図のように、トランジスタを用いた非安定(無安定) マルチバイブレータ回路の一部分がある。 ここで, S はトランジスタの代わりの動作をするスイッチ, R1 , R2 , R3 は抵抗, C はコンデンサ, VCC は直流電源電圧, Vb はベースの電圧, Vc はコレクタの電圧である。 この回路において,初期条件としてコンデンサ C の初期電荷は零,スイッチ S は開いている状態と仮定する。 a. スイッチSが開いている状態(オフ)のときは、トランジスタ Trのベースには抵抗 \( R_2 \) を介して (ア) の電圧が加わるので、トランジスタ Trは (イ) となっている。 ベースの電圧 \( V_{b} \) は電源電圧 \( V_{CC} \) より低いので、電流 \( i \) は図の矢印“右”の向きに流れてコンデンサCは充電されている。 b. 次に、スイッチSを閉じる (オン)と、その瞬間はコンデンサCに充電されていた電荷でベースの電圧は負となるので、コレクタの電圧 \( V_{c} \) は瞬時に高くなる。 電流は矢印“ (ウ) ”の向きに流れ、コンデンサCは (エ) を始め、やがてベースの電圧は (オ) に変化し、コレクタの電圧 \( V_{c} \) は下がる。 上記の記述中の空白箇所(ア)、(イ)、(ウ)、(エ)及び(オ)に当てはまる組合せとして、正しいものを次の(1)~(5)のうちから一つ選べ。

2011年度 理論 問13の問題図
図はタップで拡大できます。
選択肢

選択後、下の採点ボタンで確認します。

1 選ぶ 2 採点 3 解説
(ア)
(イ)
(ウ)
(エ)
(オ)
  • (1)
    (ア)
    (イ)
    オン
    (ウ)
    (エ)
    放電
    (オ)
    負から正
  • (2)
    (ア)
    (イ)
    オフ
    (ウ)
    (エ)
    充電
    (オ)
    正から負
  • (3)
    (ア)
    (イ)
    オン
    (ウ)
    (エ)
    充電
    (オ)
    正から零
  • (4)
    (ア)
    (イ)
    オフ
    (ウ)
    (エ)
    充電
    (オ)
    負から正
  • (5)
    (ア)
    (イ)
    オフ
    (ウ)
    (エ)
    放電
    (オ)
    零から正
選択肢を選ぶ
選択だけではまだ採点されません。
続けるなら履歴保存

まずこの問題を試せます。無料登録で履歴保存を始めると、14日間は次にやる復習と苦手まで見えます。続けるならライトです。

広告枠
この枠は無料ユーザー向けに表示されます
広告なしで使いたい場合はライト以上へ切り替えると非表示になります。
プランを見る