電験3種 過去問演習

気づいた点は 運営フォーム(外部) で送れます。

通常演習
同じ年度・科目の順番で進みます。
19 / 22 問
一覧へ戻る 次へ進むと同じ条件を保持します。
問題演習

2011年度 電験3種 上期 - 理論 - 問17(a) 2011年度 理論 問17(a)

電験3種 配点 5
ログイン不要で試せます
問題文

まず問題文だけに集中します。採点後に要点と解説へ進みます。

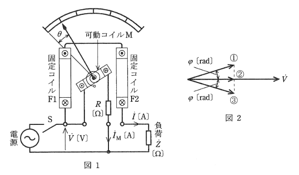
電力計について、次の(a)及び(b)の問に答えよ。 次の文章は,電力計の原理に関する記述である。図1に示す電力計は,固定コイル $F_1$ , $F_2$ に流れる負荷電流 $\dot{I}$ [A] による磁界の強さと,可動コイル $M$ に流れる電流 $\dot{I}_M$ [A] の積に比例したトルクが可動コイルに生じる。したがって,指針の触れ角 $\theta$ は (ア) に比例する。このような形の計器は,一般に (イ) 計器といわれ, (ウ) の測定に使用される。負荷 $\dot{Z}$ [$\Omega$] が誘導性の場合,電圧 $\dot{V}$ [V] のベクトルを基準に負荷電流 $\dot{I}$ [A] のベクトルを描くと,図2に示すベクトル①,②,③のうち (エ) のように表される。ただし, $\varphi$ [rad] は位相角である。上記の記述中の空白箇所(ア),(イ),(ウ)及び(エ)に当てはまる組合せとして,正しいものを次の(1)~(5)のうちから一つ選べ。

2011年度 理論 問17(a)の問題図
図はタップで拡大できます。
選択肢

選択後、下の採点ボタンで確認します。

1 選ぶ 2 採点 3 解説
  • (1)
    負荷電力
    電流力計形 ::交流
  • (2)
    電力量
    可動コイル形
    直流
  • (3)
    負荷電力
    誘導形
    交流直流両方
  • (4)
    電力量
    可動コイル形
    交流直流両方
  • (5)
    負荷電力
    電流力計形
    交流直流両方
選択肢を選ぶ
選択だけではまだ採点されません。
続けるなら履歴保存

まずこの問題を試せます。無料登録で履歴保存を始めると、14日間は次にやる復習と苦手まで見えます。続けるならライトです。

広告枠
この枠は無料ユーザー向けに表示されます
広告なしで使いたい場合はライト以上へ切り替えると非表示になります。
プランを見る