電験3種 過去問演習

気づいた点は 運営フォーム(外部) で送れます。

通常演習
同じ年度・科目の順番で進みます。
22 / 22 問
一覧へ戻る 次へ進むと同じ条件を保持します。
問題演習

2011年度 電験3種 上期 - 理論 - 問18(b) 2011年度 理論 問18(b)

電験3種 配点 5
ログイン不要で試せます
問題文

まず問題文だけに集中します。採点後に要点と解説へ進みます。

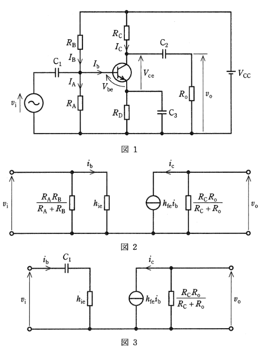
図1のトランジスタによる小信号増幅回路について,次の(a)及び(b)の問に答えよ。ただし,各抵抗は, $R_A=100 \ \text{[k}\Omega\text{]}$ , $R_B=600 \ \text{[k}\Omega\text{]}$ , $R_C=5 \ \text{[k}\Omega\text{]}$ , $R_D=1 \ \text{[k}\Omega\text{]}$ , $R_o=200 \ \text{[k}\Omega\text{]}$ である。 $C_1$ , $C_2$ は結合コンデンサで, $C_3$ はバイパスコンデンサである。また, $V_{CC}=12 \ \text{[V]}$ は直流電源電圧, $V_{be}=0.6 \ \text{[V]}$ はベース-エミッタ間の直流電圧とし, $v_i \ \text{[V]}$ は入力小信号電圧, $v_o \ \text{[V]}$ は出力小信号電圧とする。 小信号増幅回路の交流等価回路は,結合コンデンサ及びバイパスコンデンサのインピーダンスを無視することができる周波数において,一般に,図2の簡易等価回路で表される。ここで, $i_b \ \text{[A]}$ はベースの信号電流, $i_c \ \text{[A]}$ はコレクタの信号電流で,この回路の電圧増幅度 $A_{v0}$ は下式となる。$$A_{v0} = \left| \frac{v_o}{v_i} \right| = \frac{h_{fe}}{h_{ie}} \cdot \frac{R_C R_o}{R_C + R_o} \dots ①$$また,コンデンサ $C_1$ のインピーダンスの影響を考慮するための等価回路を図3に示す。このとき,入力小信号電圧のある周波数において,図3を用いて得られた電圧増幅度が①式で示す電圧増幅度の $\frac{1}{\sqrt{2}}$ となった。この周波数 $\text{[Hz]}$ の大きさとして,最も近いものを次の(1)~(5)のうちから一つ選べ。ただし,エミッタ接地の小信号電流増幅率 $h_{fe}=120$ ,入力インピーダンス $h_{ie}=3\times 10^3 \ \text{[}\Omega\text{]}$ ,コンデンサ $C_1$ の静電容量 $C_1=10 \ \text{[}\mu\text{F]}$ とする。

2011年度 理論 問18(b)の問題図
図はタップで拡大できます。
選択肢

選択後、下の採点ボタンで確認します。

1 選ぶ 2 採点 3 解説
  • (1)
    1.2
  • (2)
    1.6
  • (3)
    2.1
  • (4)
    5.3
  • (5)
    7.9
選択肢を選ぶ
選択だけではまだ採点されません。
続けるなら履歴保存

まずこの問題を試せます。無料登録で履歴保存を始めると、14日間は次にやる復習と苦手まで見えます。続けるならライトです。

広告枠
この枠は無料ユーザー向けに表示されます
広告なしで使いたい場合はライト以上へ切り替えると非表示になります。
プランを見る