要点
正解は(1)。特性図から値を読み取り、定義式に当てはめてパラメータを求める問題です。小問ごとに使う式と条件を切り分けて考えると整理しやすいです。復習では、使う式、代入値、単位換算の順で声に出して確認すると取り違えが減ります。
詳細解説
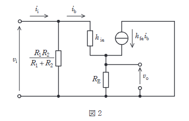
エミッタホロワのベース側から見た入力インピーダンスは、
\[
Z_{tr}=h_{ie}+(1+h_{fe})R_E
\]
で近似できる。ここに \(h_{ie}=2.5\text{k}\Omega\), \(h_{fe}=300\), \(R_E \approx 2.65\text{k}\Omega\) を代入すると、
\[
Z_{tr}=2.5+(1+300)\times 2.65
\approx 800\text{k}\Omega
\]
となり、トランジスタ単体としては非常に大きい。
一方、入力端子からはバイアス抵抗 \(R_1\) と \(R_2\) も交流的には接地側に見えるので、
\[
R_B = R_1 \parallel R_2
= 3\text{k}\Omega \parallel 6\text{k}\Omega
= 2\text{k}\Omega
\]
となる。全体の入力インピーダンスは
\[
Z_{in}=Z_{tr}\parallel R_B
\]
であり、\(Z_{tr}\) が \(R_B\) より十分大きいから、
\[
Z_{in}\approx 2\text{k}\Omega
\]
となる。よって、(b) は (1) である。