電験3種 過去問演習

気づいた点は 運営フォーム(外部) で送れます。

通常演習
同じ年度・科目の順番で進みます。
10 / 22 問
一覧へ戻る 次へ進むと同じ条件を保持します。
問題演習

2012年度 電験3種 上期 - 機械 - 問10 2012年度 機械 問10

電験3種 配点 5
ログイン不要で試せます
問題文

まず問題文だけに集中します。採点後に要点と解説へ進みます。

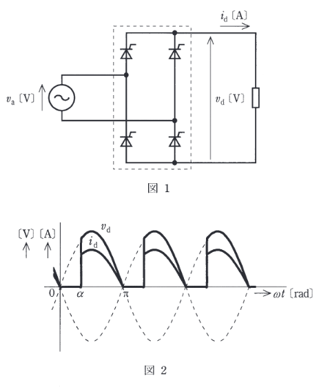
交流電圧 \(v_{a}\) \([ \text{V} ]\) の実効値 \(V\) \([ \text{V} ]\) が \(100 \ [ \text{V} ]\) で、抵抗負荷が接続された図1に示す半導体電力変換装置において、図2に示すようにラジアンで表した制御遅れ角 \(\alpha \ [ \text{rad} ]\) を変えて出力直流電圧 \(v_{d} \ [ \text{V} ]\) の平均値 \(V_{d} \ [ \text{V} ]\) を制御する。 度数で表した制御遅れ角 \(\alpha \ [ ^\circ ]\) に対する \(V_{d} \ [ \text{V} ]\) の関係として、適切なものを次の1~5のうちから一つ選べ。 ただし、サイリスタの電圧降下は、無視する。

2012年度 機械 問10の問題図
図はタップで拡大できます。
選択肢

選択後、下の採点ボタンで確認します。

1 選ぶ 2 採点 3 解説
  • (1)
    2012年度 機械 問10 選択肢1の画像
    \(\alpha=0\)で約45V、\(\alpha=90^\circ\)で0Vになる曲線。
  • (2)
    2012年度 機械 問10 選択肢2の画像
    \(\alpha=0\)で約90V、\(\alpha=180^\circ\)で0Vになる、上に凸のような曲線。
  • (3)
    2012年度 機械 問10 選択肢3の画像
    \(\alpha=0\)で100V一定の直線。
  • (4)
    2012年度 機械 問10 選択肢4の画像
    \(\alpha=0\)で約90V、\(\alpha=90^\circ\)まで低下し、その後一定のような曲線。
  • (5)
    2012年度 機械 問10 選択肢5の画像
    \(\alpha=0\)で約90V、\(\alpha=90^\circ\)で45V、\(\alpha=180^\circ\)で0Vになる逆S字(コサインカーブ)状の曲線。
選択肢を選ぶ
選択だけではまだ採点されません。
続けるなら履歴保存

まずこの問題を試せます。無料登録で履歴保存を始めると、14日間は次にやる復習と苦手まで見えます。続けるならライトです。

広告枠
この枠は無料ユーザー向けに表示されます
広告なしで使いたい場合はライト以上へ切り替えると非表示になります。
プランを見る