気づいた点は 運営フォーム(外部) で送れます。
まず問題文だけに集中します。採点後に要点と解説へ進みます。
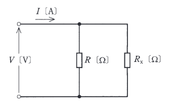
図のように、抵抗 \(R\) [\(\Omega\)] と抵抗 \(R_{x}\) [\(\Omega\)] を並列に接続した回路がある。この回路に直流電圧 \(V\) [V] を加えたところ、電流 \(I\) [A] が流れた。\(R_{x}\) [\(\Omega\)] の値を表す式として、正しいものを次の(1)~(5)のうちから一つ選べ。
選択後、下の採点ボタンで確認します。
解説を確認して次へ進みます。
要点で考え方を戻し、必要なら詳細解説で手順を追います。
続けるときだけ、近い問題を1問選びます。
まずこの問題を試せます。無料登録で履歴保存を始めると、14日間は次にやる復習と苦手まで見えます。続けるならライトです。