電験3種 過去問演習

気づいた点は 運営フォーム(外部) で送れます。

通常演習
同じ年度・科目の順番で進みます。
14 / 22 問
一覧へ戻る 次へ進むと同じ条件を保持します。
問題演習

2009年度 電験3種 上期 - 理論 - 問14 2009年度 理論 問14

電験3種 配点 5
ログイン不要で試せます
問題文

まず問題文だけに集中します。採点後に要点と解説へ進みます。

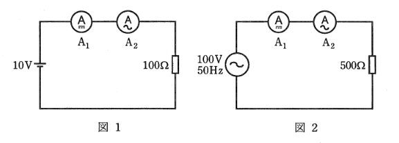
可動コイル形直流電流計 \(A_{1}\) と可動鉄片形交流電流計 \(A_{2}\) の2台の電流計がある。それぞれの電流計の性質を比較するために次のような実験を行った。 図1のように \(A_{1}\) と \(A_{2}\) を抵抗 100 [Ω] と電圧 10 [V] の直流電源の回路に接続したとき、\(A_{1}\) の指示は 100 [mA]、\(A_{2}\) の指示は (ア) [mA] であった。 また、図2のように、周波数 50 [Hz]、電圧 100 [V] の交流電源と抵抗 500 [Ω] に \(A_{1}\) と \(A_{2}\) を接続したとき、\(A_{1}\) の指示は (イ) [mA]、\(A_{2}\) の指示は 200 [mA] であった。 上記の記述中の空白箇所 (ア) 及び (イ) に当てはまる最も近い値として、正しいものを組み合わせたのは次のうちどれか。 ただし、\(A_{1}\) と \(A_{2}\) の内部抵抗はどちらも無視できるものであった。

2009年度 理論 問14の問題図
図はタップで拡大できます。
選択肢

選択後、下の採点ボタンで確認します。

1 選ぶ 2 採点 3 解説
(ア)
(イ)
  • (1)
    (ア)
    0
    (イ)
    0
  • (2)
    (ア)
    141
    (イ)
    282
  • (3)
    (ア)
    100
    (イ)
    0
  • (4)
    (ア)
    0
    (イ)
    141
  • (5)
    (ア)
    100
    (イ)
    141
選択肢を選ぶ
選択だけではまだ採点されません。
続けるなら履歴保存

まずこの問題を試せます。無料登録で履歴保存を始めると、14日間は次にやる復習と苦手まで見えます。続けるならライトです。

広告枠
この枠は無料ユーザー向けに表示されます
広告なしで使いたい場合はライト以上へ切り替えると非表示になります。
プランを見る