電験3種 過去問演習

気づいた点は 運営フォーム(外部) で送れます。

通常演習
同じ年度・科目の順番で進みます。
5 / 22 問
一覧へ戻る 次へ進むと同じ条件を保持します。
問題演習

2014年度 電験3種 上期 - 理論 - 問5 2014年度 理論 問5

電験3種 配点 5
ログイン不要で試せます
問題文

まず問題文だけに集中します。採点後に要点と解説へ進みます。

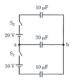
図のように、コンデンサ3個を充電する回路がある。スイッチ \(S_1\) 及び \(S_2\) を同時に閉じてから十分に時間が経過し、定常状態となったとき、a点からみたb点の電圧の値 [V] として、正しいものを次の(1)~(5)のうちから一つ選べ。 ただし、各コンデンサの初期電荷は零とする。 [回路定数] 上段:\(10\mu\text{F}\)、スイッチ \(S_2\)、直流電源 \(20\text{V}\) 中段:\(20\mu\text{F}\)(端子a-b間) 下段:\(10\mu\text{F}\)、スイッチ \(S_1\)、直流電源 \(10\text{V}\)

2014年度 理論 問5の問題図
図はタップで拡大できます。
選択肢

選択後、下の採点ボタンで確認します。

1 選ぶ 2 採点 3 解説
  • (1)
    \(-\dfrac{10}{3}\)
  • (2)
    \(-2.5\)
  • (3)
    \(2.5\)
  • (4)
    \(\dfrac{10}{3}\)
  • (5)
    \(\dfrac{20}{3}\)
選択肢を選ぶ
選択だけではまだ採点されません。
続けるなら履歴保存

まずこの問題を試せます。無料登録で履歴保存を始めると、14日間は次にやる復習と苦手まで見えます。続けるならライトです。

広告枠
この枠は無料ユーザー向けに表示されます
広告なしで使いたい場合はライト以上へ切り替えると非表示になります。
プランを見る