電験3種 過去問演習

気づいた点は 運営フォーム(外部) で送れます。

通常演習
同じ年度・科目の順番で進みます。
11 / 22 問
一覧へ戻る 次へ進むと同じ条件を保持します。
問題演習

2014年度 電験3種 上期 - 理論 - 問11 2014年度 理論 問11

電験3種 配点 5
ログイン不要で試せます
問題文

まず問題文だけに集中します。採点後に要点と解説へ進みます。

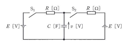
図のように、直流電圧 \(E\) [V] の電源が2個、\(R\) [\(\Omega\)] の抵抗が2個、静電容量 \(C\) [F] のコンデンサ、スイッチ \(S_1\) と \(S_2\) からなる回路がある。スイッチ \(S_1\) と \(S_2\) の初期状態は、共に開いているものとする。電源の内部インピーダンスは零とする。時刻 \(t=t_1\) [s] でスイッチ \(S_1\) を閉じ、その後、時定数 \(CR\) [s] に比べて十分に時間が経過した時刻 \(t=t_2\) [s] でスイッチ \(S_1\) を開き、スイッチ \(S_2\) を閉じる。このとき、コンデンサの端子電圧 \(v\) [V] の波形を示す図として、最も近いものを次の(1)~(5)のうちから一つ選べ。 ただし、コンデンサの初期電荷は零とする。 [回路構成] 左ループ:電源 \(E\) (正極上)、スイッチ \(S_1\)、抵抗 \(R\)、コンデンサ \(C\) (中央) 右ループ:コンデンサ \(C\)、スイッチ \(S_2\)、抵抗 \(R\)、電源 \(E\) (正極下、負極上) ※右側電源の向きに注意。図では長い棒が下側に描かれている(通常の電池記号と逆、あるいは下側が正)。ただし、問題文には「直流電圧E」とあり、図記号の長い線がプラスである。図を見ると、左の電源は上がプラス。右の電源は下がプラス(長い線が下)である。

2014年度 理論 問11の問題図
図はタップで拡大できます。
選択肢

選択後、下の採点ボタンで確認します。

1 選ぶ 2 採点 3 解説
  • (1)
    2014年度 理論 問11 選択肢1の画像
    \(t_1\)で \(E\) に上昇、\(t_2\)で \(2E\) に上昇
  • (2)
    2014年度 理論 問11 選択肢2の画像
    \(t_1\)で \(E\) に上昇、\(t_2\)で \(E\) のまま
  • (3)
    2014年度 理論 問11 選択肢3の画像
    \(t_1\)で \(E\) に上昇、\(t_2\)で \(0\) に下降
  • (4)
    2014年度 理論 問11 選択肢4の画像
    \(t_1\)で \(E\) に上昇、\(t_2\)で \(-E\) に下降(指数関数的変化)
  • (5)
    2014年度 理論 問11 選択肢5の画像
    \(t_1\)で \(E\) に上昇、\(t_2\)で \(-2E\) に下降
選択肢を選ぶ
選択だけではまだ採点されません。
続けるなら履歴保存

まずこの問題を試せます。無料登録で履歴保存を始めると、14日間は次にやる復習と苦手まで見えます。続けるならライトです。

広告枠
この枠は無料ユーザー向けに表示されます
広告なしで使いたい場合はライト以上へ切り替えると非表示になります。
プランを見る