電験3種 過去問演習

気づいた点は 運営フォーム(外部) で送れます。

通常演習
同じ年度・科目の順番で進みます。
15 / 22 問
一覧へ戻る 次へ進むと同じ条件を保持します。
問題演習

2014年度 電験3種 上期 - 理論 - 問15(a) 2014年度 理論 問15(a)

電験3種 配点 5
ログイン不要で試せます
問題文

まず問題文だけに集中します。採点後に要点と解説へ進みます。

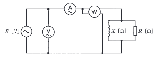
図のように、正弦波交流電圧 \(E\) [V] の電源が誘導性リアクタンス \(X\) [\(\Omega\)] のコイルと抵抗 \(R\) [\(\Omega\)] との並列回路に電力を供給している。この回路において、電流計の指示値は 12.5A、電圧計の指示値は 300V、電力計の指示値は 2250 W であった。 ただし、電圧計、電流計及び電力計の損失はいずれも無視できるものとする。 次の(a)及び(b)の問に答えよ。 この回路における無効電力 \(Q\) [var] として、最も近い \(Q\) の値を次の(1)~(5)のうちから一つ選べ。

2014年度 理論 問15(a)の問題図
図はタップで拡大できます。
選択肢

選択後、下の採点ボタンで確認します。

1 選ぶ 2 採点 3 解説
  • (1)
    1800
  • (2)
    2250
  • (3)
    2750
  • (4)
    3000
  • (5)
    3750
選択肢を選ぶ
選択だけではまだ採点されません。
続けるなら履歴保存

まずこの問題を試せます。無料登録で履歴保存を始めると、14日間は次にやる復習と苦手まで見えます。続けるならライトです。

広告枠
この枠は無料ユーザー向けに表示されます
広告なしで使いたい場合はライト以上へ切り替えると非表示になります。
プランを見る