電験3種 過去問演習

気づいた点は 運営フォーム(外部) で送れます。

通常演習
同じ年度・科目の順番で進みます。
21 / 22 問
一覧へ戻る 次へ進むと同じ条件を保持します。
問題演習

2014年度 電験3種 上期 - 理論 - 問18(a) 2014年度 理論 問18(a)

電験3種 配点 5
ログイン不要で試せます
問題文

まず問題文だけに集中します。採点後に要点と解説へ進みます。

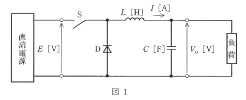
図1は、代表的なスイッチング電源回路の原理図を示している。次の(a)及び(b)の問に答えよ。 回路の説明として、誤っているものを次の(1)~(5)のうちから一つ選べ。

2014年度 理論 問18(a)の問題図
図はタップで拡大できます。
選択肢

選択後、下の採点ボタンで確認します。

1 選ぶ 2 採点 3 解説
  • (1)
    インダクタンス \(L\) [H] のコイルはスイッチSがオンのときに電磁エネルギーを蓄え、Sがオフのときに蓄えたエネルギーを放出する。
  • (2)
    ダイオードDは、スイッチSがオンのときには電流が流れずSがオフのときに電流が流れる。
  • (3)
    静電容量 \(C\) [F] のコンデンサは出力電圧 \(V_o\) [V] を平滑化するための素子であり、静電容量 \(C\) [F] が大きいほどリプル電圧が小さい。
  • (4)
    コイルのインダクタンスやコンデンサの静電容量値を小さくするためには、スイッチSがオンとオフを繰り返す周期(スイッチング周期)を長くする。
  • (5)
    スイッチの実現には、バイポーラトランジスタや電界効果トランジスタが使用できる。
選択肢を選ぶ
選択だけではまだ採点されません。
続けるなら履歴保存

まずこの問題を試せます。無料登録で履歴保存を始めると、14日間は次にやる復習と苦手まで見えます。続けるならライトです。

広告枠
この枠は無料ユーザー向けに表示されます
広告なしで使いたい場合はライト以上へ切り替えると非表示になります。
プランを見る