電験3種 過去問演習

気づいた点は 運営フォーム(外部) で送れます。

通常演習
同じ年度・科目の順番で進みます。
17 / 20 問
一覧へ戻る 次へ進むと同じ条件を保持します。
問題演習

2018年度 電験3種 上期 - 電力 - 問16(a) 2018年度 電力 問16(a)

電験3種 配点 5
ログイン不要で試せます
問題文

まず問題文だけに集中します。採点後に要点と解説へ進みます。

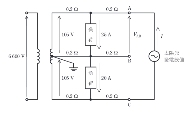
図のように、電圧線及び中性線の各部の抵抗が0.2\(\Omega\)の単相3線式低圧配電線路において、末端のAC間に太陽光発電設備が接続されている。各部の電圧及び電流が図に示された値であるとき、次の(a)及び(b)の問に答えよ。ただし、負荷は定電流特性で力率は1、太陽光発電設備の出力(交流)は電流 \(I [A]\)、力率1で一定とする。また、線路のインピーダンスは抵抗とし、図示していないインピーダンスは無視するものとする。 太陽光発電設備を接続する前のAB間の端子電圧 \(V_{AB}\) の値 [V] として、最も近いものを次の(1)~(5)のうちから一つ選べ。

2018年度 電力 問16(a)の問題図
図はタップで拡大できます。
選択肢

選択後、下の採点ボタンで確認します。

1 選ぶ 2 採点 3 解説
  • (1)
    96
  • (2)
    99
  • (3)
    100
  • (4)
    101
  • (5)
    104
選択肢を選ぶ
選択だけではまだ採点されません。
続けるなら履歴保存

まずこの問題を試せます。無料登録で履歴保存を始めると、14日間は次にやる復習と苦手まで見えます。続けるならライトです。

広告枠
この枠は無料ユーザー向けに表示されます
広告なしで使いたい場合はライト以上へ切り替えると非表示になります。
プランを見る