デモ版公開中です。問題を触ったあとに、使いにくかった点は 運営フォーム(外部) から送れます。

進行状況
18 / 20 問

2018年度 電験3種 上期 - 電力 - 問16(b) 電験3種 配点 5

問題文

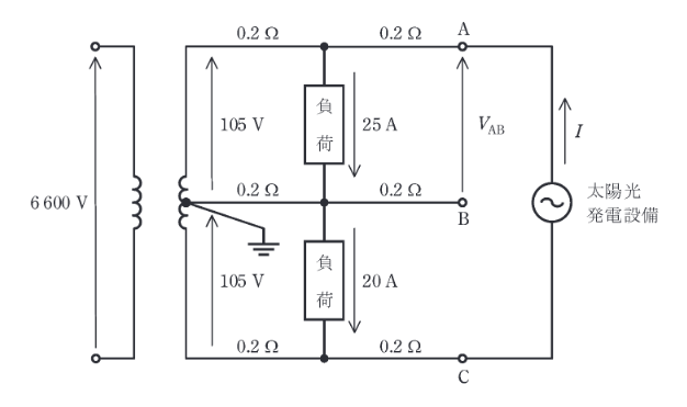
図のように、電圧線及び中性線の各部の抵抗が0.2\(\Omega\)の単相3線式低圧配電線路において、末端のAC間に太陽光発電設備が接続されている。各部の電圧及び電流が図に示された値であるとき、次の(a)及び(b)の問に答えよ。ただし、負荷は定電流特性で力率は1、太陽光発電設備の出力(交流)は電流 \(I [A]\)、力率1で一定とする。また、線路のインピーダンスは抵抗とし、図示していないインピーダンスは無視するものとする。 太陽光発電設備を接続したところ、AB間の端子電圧 \(V_{AB}\) [V] が 107 Vとなった。このときの太陽光発電設備の出力電流(交流) \(I\) の値 [A] として、最も近いものを次の(1)~(5)のうちから一つ選べ。

2018年度 電力 問16(b)
出典:平成30年度第三種電気主任技術者電力科目B問題問16(b)
問題図
図はタップで拡大できます。
選択肢
  • (1)
    5
  • (2)
    15
  • (3)
    20
  • (4)
    25
  • (5)
    30
選択肢を選んでください
選択だけではまだ採点されません。
この問題を触った感想を送ってください

内容の誤りや不足はもちろん、見づらさや使いにくさも歓迎しています。デモ版の改善に使います。

広告枠
この枠は無料ユーザー向けに表示されます
広告なしで使いたい場合はライト以上へ切り替えると非表示になります。
プランを見る