電験3種 過去問演習

気づいた点は 運営フォーム(外部) で送れます。

通常演習
同じ年度・科目の順番で進みます。
13 / 22 問
一覧へ戻る 次へ進むと同じ条件を保持します。
問題演習

2021年度 電験3種 上期 - 機械 - 問13 2021年度 機械 問13

電験3種 配点 5
ログイン不要で試せます
問題文

まず問題文だけに集中します。採点後に要点と解説へ進みます。

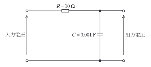
次の文章は、図に示す抵抗R、並びにキャパシタCで構成された一次遅れ要素に関する記述である。 図の回路において、入力電圧に対する出力電圧を、一次遅れ要素の周波数伝達関数として表したとき、折れ点角周波数 \(\omega_c\) は (ア) rad/s である。ゲイン特性は、\(\omega_c\) よりも十分低い角周波数ではほぼ一定の (イ) dBであり、\(\omega_c\) よりも十分高い角周波数では、角周波数が10倍になるごとに (ウ) dB減少する直線となる。また、位相特性は、\(\omega_c\) よりも十分高い角周波数でほぼ一定の (エ) の遅れとなる。 (値:\(R=10 \Omega\), \(C=0.001 \text{ F}\))

2021年度 機械 問13の問題図
図はタップで拡大できます。
選択肢

選択後、下の採点ボタンで確認します。

1 選ぶ 2 採点 3 解説
(ア)
(イ)
(ウ)
(エ)
  • (1)
    (ア)
    100
    (イ)
    20
    (ウ)
    10
    (エ)
    45°
  • (2)
    (ア)
    100
    (イ)
    0
    (ウ)
    20
    (エ)
    90°
  • (3)
    (ア)
    100
    (イ)
    0
    (ウ)
    20
    (エ)
    45°
  • (4)
    (ア)
    0.01
    (イ)
    0
    (ウ)
    10
    (エ)
    90°
  • (5)
    (ア)
    0.01
    (イ)
    20
    (ウ)
    20
    (エ)
    45°
選択肢を選ぶ
選択だけではまだ採点されません。
続けるなら履歴保存

まずこの問題を試せます。無料登録で履歴保存を始めると、14日間は次にやる復習と苦手まで見えます。続けるならライトです。

広告枠
この枠は無料ユーザー向けに表示されます
広告なしで使いたい場合はライト以上へ切り替えると非表示になります。
プランを見る