デモ版公開中です。問題を触ったあとに、使いにくかった点は 運営フォーム(外部) から送れます。

進行状況
17 / 22 問

2022年度 電験3種 上期 - 機械 - 問16(a) 電験3種 配点 5

問題文

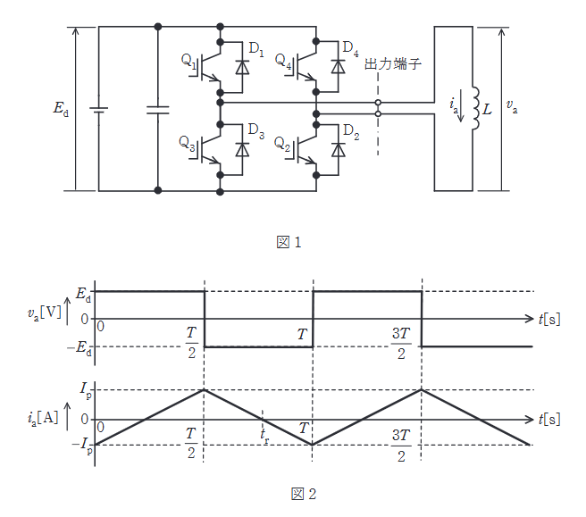
図1は、IGBTを用いた単相ブリッジ接続の電圧形インバータを示す。直流電圧 \(E_d\) [V]は、一定値と見なせる。出力端子には、インダクタンス \(L\) [H]の誘導性負荷が接続されている。 図2は、このインバータの動作波形である。時刻 \(t=0\)sでIGBT \(Q_3\) 及び \(Q_4\) のゲート信号をオフにするとともに \(Q_1\) 及び \(Q_2\) のゲート信号をオンにすると、出力電圧 \(v_a\) は \(E_d\) [V]となる。 \(t=\dfrac{T}{2}\) [s]で \(Q_1\) 及び \(Q_2\) のゲート信号をオフにするとともに \(Q_3\) 及び \(Q_4\) のゲート信号をオンにすると、出力電圧 \(v_a\) は \(-E_d\) [V]となる。これを周期 \(T\) [s]で繰り返して方形波電圧を出力する。 このとき、次の(a)及び(b)の問に答えよ。 ただし、デバイス (IGBT及びダイオード)での電圧降下は無視するものとする。 \(t=0\)s において \(i_a=-I_p\) [A]とする。時刻 \(t=\dfrac{T}{2}\) [s]の直前では \(Q_1\) 及び \(Q_2\) がオンしており、出力電流は直流電源から \(Q_1 \to \text{負荷} \to Q_2\) の経路で流れている。 \(t=\dfrac{T}{2}\) [s] で IGBT \(Q_1\) 及び \(Q_2\) のゲート信号をオフにするとともに \(Q_3\) 及び \(Q_4\) のゲート信号をオンにした。その直後(図2で、 \(t=\dfrac{T}{2}\) [s]から、出力電流が0Aになる \(t=t_r\) [s]までの期間)、出力電流が流れるデバイスとして、正しい組合せを次の(1)〜(5)のうちから一つ選べ。

2022年度 上期 機械 問16(a)
出典:令和4年度第三種電気主任技術者機械科目B問題問16(a)
問題図
図はタップで拡大できます。
選択肢
  • (1)
    \(Q_1, Q_2\)
  • (2)
    \(Q_3, Q_4\)
  • (3)
    \(D_1, D_2\)
  • (4)
    \(D_3, D_4\)
  • (5)
    \(Q_3, Q_4, D_1, D_2\)
選択肢を選んでください
選択だけではまだ採点されません。
この問題を触った感想を送ってください

内容の誤りや不足はもちろん、見づらさや使いにくさも歓迎しています。デモ版の改善に使います。

広告枠
この枠は無料ユーザー向けに表示されます
広告なしで使いたい場合はライト以上へ切り替えると非表示になります。
プランを見る