デモ版公開中です。問題を触ったあとに、使いにくかった点は 運営フォーム(外部) から送れます。

進行状況
16 / 22 問

2023年度 電験3種 下期 - 理論 - 問15(b) 電験3種 配点 5

問題文

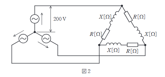
抵抗 \(R \mathrm{[\Omega]}\)、誘導性リアクタンス \(X \mathrm{[\Omega]}\) からなる平衡三相負荷(力率80%)に対称三相交流電源を接続した交流回路がある。次の(a)及び(b)の問に答えよ。 図1の各相の負荷を使って \(\Delta\) 結線し、図2のように相電圧 \(200 \mathrm{V}\) の対称三相電源に接続した。この平衡三相負荷の全消費電力の値 \(\mathrm{[kW]}\) として、最も近いものを次の(1)~(5)のうちから一つ選べ。

2023年度 下期 理論 問15(b)
出典:令和5年度第三種電気主任技術者理論科目B問題問15(b)
問題図
図はタップで拡大できます。
選択肢
  • (1)
    8
  • (2)
    11.1
  • (3)
    13.9
  • (4)
    19.2
  • (5)
    33.3
選択肢を選んでください
選択だけではまだ採点されません。
この問題を触った感想を送ってください

内容の誤りや不足はもちろん、見づらさや使いにくさも歓迎しています。デモ版の改善に使います。

広告枠
この枠は無料ユーザー向けに表示されます
広告なしで使いたい場合はライト以上へ切り替えると非表示になります。
プランを見る