デモ版公開中です。問題を触ったあとに、使いにくかった点は 運営フォーム(外部) から送れます。

進行状況
6 / 22 問

2024年度 電験3種 下期 - 理論 - 問6 電験3種 配点 5

問題文

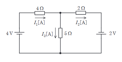
図のように、二つの直流電源と三つの抵抗からなる回路がある。各抵抗に流れる電流を図に示す向きに定義するとき、電流 \( I_{1} \)、 \( I_{2} \)、 \( I_{3} \) の値 \( [\mathrm{A}] \) の組合せとして、正しいものを次の(1)~(5)のうちから一つ選べ。

2024年度 下期 理論 問6
出典:令和6年度第三種電気主任技術者理論科目A問題問6
問題図
図はタップで拡大できます。
選択肢
  • (1)
    \( I_1 = -1 \), \( I_2 = -1 \), \( I_3 = 0 \)
  • (2)
    \( I_1 = -1 \), \( I_2 = 1 \), \( I_3 = -2 \)
  • (3)
    \( I_1 = 2 \), \( I_2 = 1 \), \( I_3 = 1 \)
  • (4)
    \( I_1 = 1 \), \( I_2 = 1 \), \( I_3 = 0 \)
  • (5)
    \( I_1 = 1 \), \( I_2 = -1 \), \( I_3 = 2 \)
選択肢を選んでください
選択だけではまだ採点されません。
この問題を触った感想を送ってください

内容の誤りや不足はもちろん、見づらさや使いにくさも歓迎しています。デモ版の改善に使います。

広告枠
この枠は無料ユーザー向けに表示されます
広告なしで使いたい場合はライト以上へ切り替えると非表示になります。
プランを見る